EasyManua.ls Logo

Dutton-Lainson DL600A - Parts and Diagrams; DL600 A;DL900 A Parts and Diagrams; DL1100 A;DL1300 A Parts and Diagrams

Default Icon
5 pages
Print Icon
To Next Page IconTo Next Page
To Next Page IconTo Next Page
To Previous Page IconTo Previous Page
To Previous Page IconTo Previous Page
Loading...
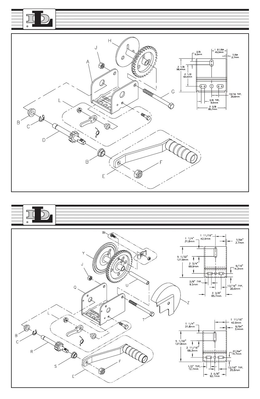
DL600A & DL900A
DL1100A & DL1300A
DL1100A
DL600A / DL900A
DL1300A

Related product manuals