EasyManua.ls Logo

Dyness TX5K-HM - Page 15

Dyness TX5K-HM
16 pages
Print Icon
To Next Page IconTo Next Page
To Next Page IconTo Next Page
To Previous Page IconTo Previous Page
To Previous Page IconTo Previous Page
Loading...
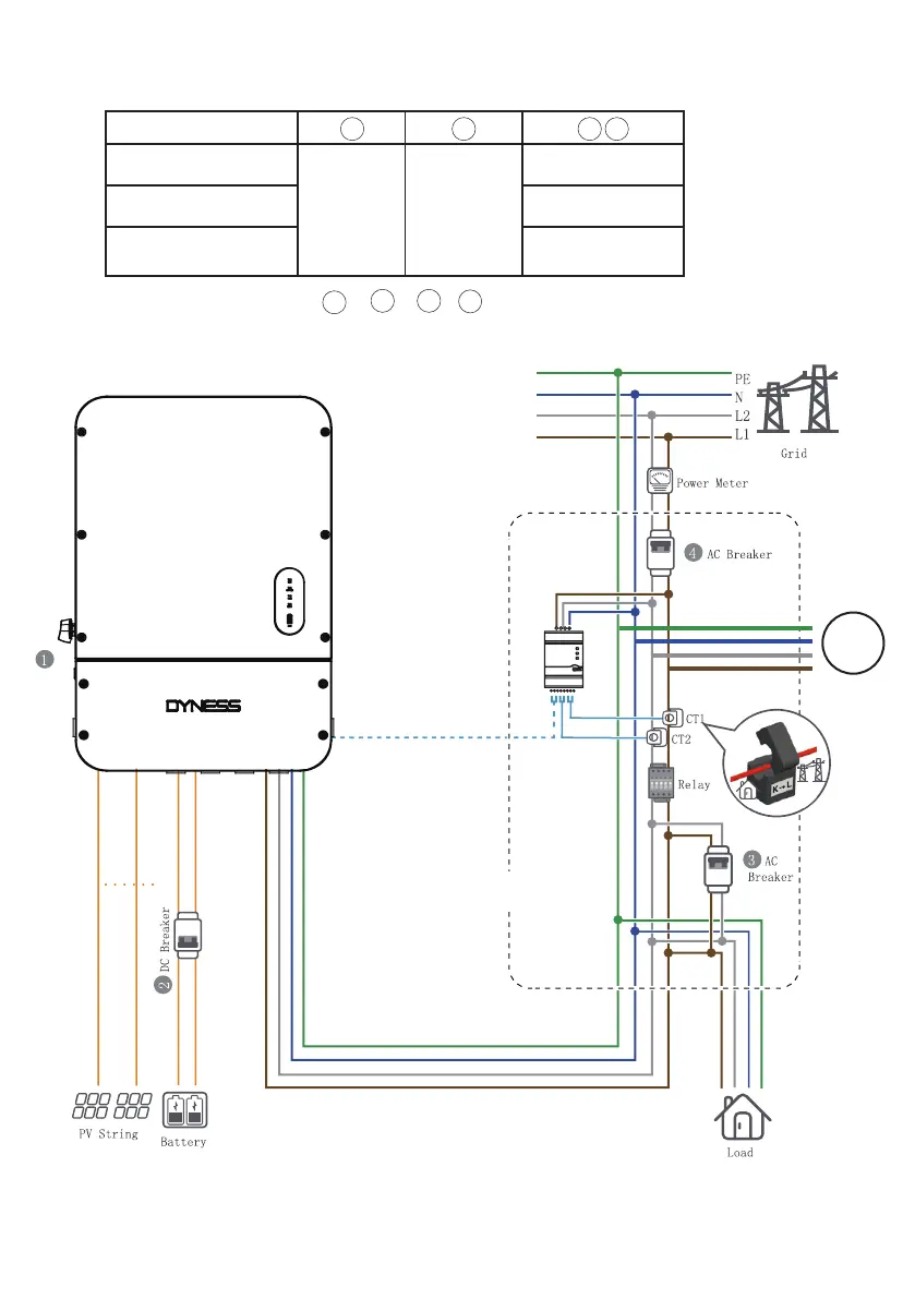
Inverter 1 2
3
4
TX5K-HM/TX6K-HM
32A/1100V
DC Switch
MAX Battery
Current(A)
*1.2
DC breaker
25 A/400 V AC
breaker
TX7.6K-HM/TX9.6K-HM
32 A/400 V AC
breaker
TX11.4K-HM
63 A/400 V AC
breaker
Power On With SCD BOX
Power-on Sequence
2 → 1 → 4 → 3
14
M
SCD