EasyManua.ls Logo

EAW DX8 - Page 9

EAW DX8
36 pages
Print Icon
To Next Page IconTo Next Page
To Next Page IconTo Next Page
To Previous Page IconTo Previous Page
To Previous Page IconTo Previous Page
Loading...
DX8 9
B
REMOTE BUS
TRIM
BUS A
U
+20-20
A
TRIM
1
RECORD
AB
OUTPUTS
LOGIC I/O
TRIM
BUS B
U
+20-20
TRIM
2
TRIM
3
TRIM
4
TRIM
5
TRIM
6
TRIM
7
TRIM
8
M
I
C
G
A
I
N
060
+
SERIAL NUMBER
MANUFACTURING DATE
COMM PORT
DIRECT OUTPUTS
12345678
POWER
INPUT
22
-
28V DC,
3A MAX
23456781
+
G
G
+
MIC
LINE
LINELINELINE
MIC
LINE
MIC
LINE
MIC
LINE
MIC
LINE
MIC
LINE
MIC
LINE
MIC
LINE
MIC
-
30dB +30dB
U
M
I
C
G
A
I
N
060
-
30dB +30dB
U
M
I
C
G
A
I
N
060
-
30dB +30dB
U
M
I
C
G
A
I
N
060
-
30dB +30dB
U
M
I
C
G
A
I
N
060
-
30dB +30dB
U
M
I
C
G
A
I
N
060
-
30dB +30dB
U
M
I
C
G
A
I
N
060
-
30dB +30dB
U
M
I
C
G
A
I
N
060
-
30dB +30dB
U
PHANTOM POWER
48V DC
12 1 +5V
11G1
G
+
G
+
G
+
INPUTS
OUTPUTS
100
240V , 50/60Hz, 1A MAX
LISTED COMMERCIAL
AUDIO EQUIPMENT
9Z39
R
ON
DX8 DIGITAL MIXER
B
REMOTE BUS
TRIM
BUS A
U
+20-20
A
TRIM
1
RECORD
AB
OUTPUTS
LOGIC I/O
TRIM
BUS B
U
+20-20
TRIM
2
TRIM
3
TRIM
4
TRIM
5
TRIM
6
TRIM
7
TRIM
8
M
I
C
G
A
I
N
060
+
SERIAL NUMBER
MANUFACTURING DATE
COMM PORT
DIRECT OUTPUTS
12345678
POWER
INPUT
22
-
28V DC,
3A MAX
23456781
+
G
G
+
MIC
LINE
LINELINELINE
MIC
LINE
MIC
LINE
MIC
LINE
MIC
LINE
MIC
LINE
MIC
LINE
MIC
LINE
MIC
-
30dB +30dB
U
M
I
C
G
A
I
N
060
-
30dB +30dB
U
M
I
C
G
A
I
N
060
-
30dB +30dB
U
M
I
C
G
A
I
N
060
-
30dB +30dB
U
M
I
C
G
A
I
N
060
-
30dB +30dB
U
M
I
C
G
A
I
N
060
-
30dB +30dB
U
M
I
C
G
A
I
N
060
-
30dB +30dB
U
M
I
C
G
A
I
N
060
-
30dB +30dB
U
PHANTOM POWER
48V DC
12 1 +5V
11G1
G
+
G
+
G
+
INPUTS
OUTPUTS
100
240V , 50/60Hz, 1A MAX
LISTED COMMERCIAL
AUDIO EQUIPMENT
9Z39
R
ON
DX8 DIGITAL MIXER
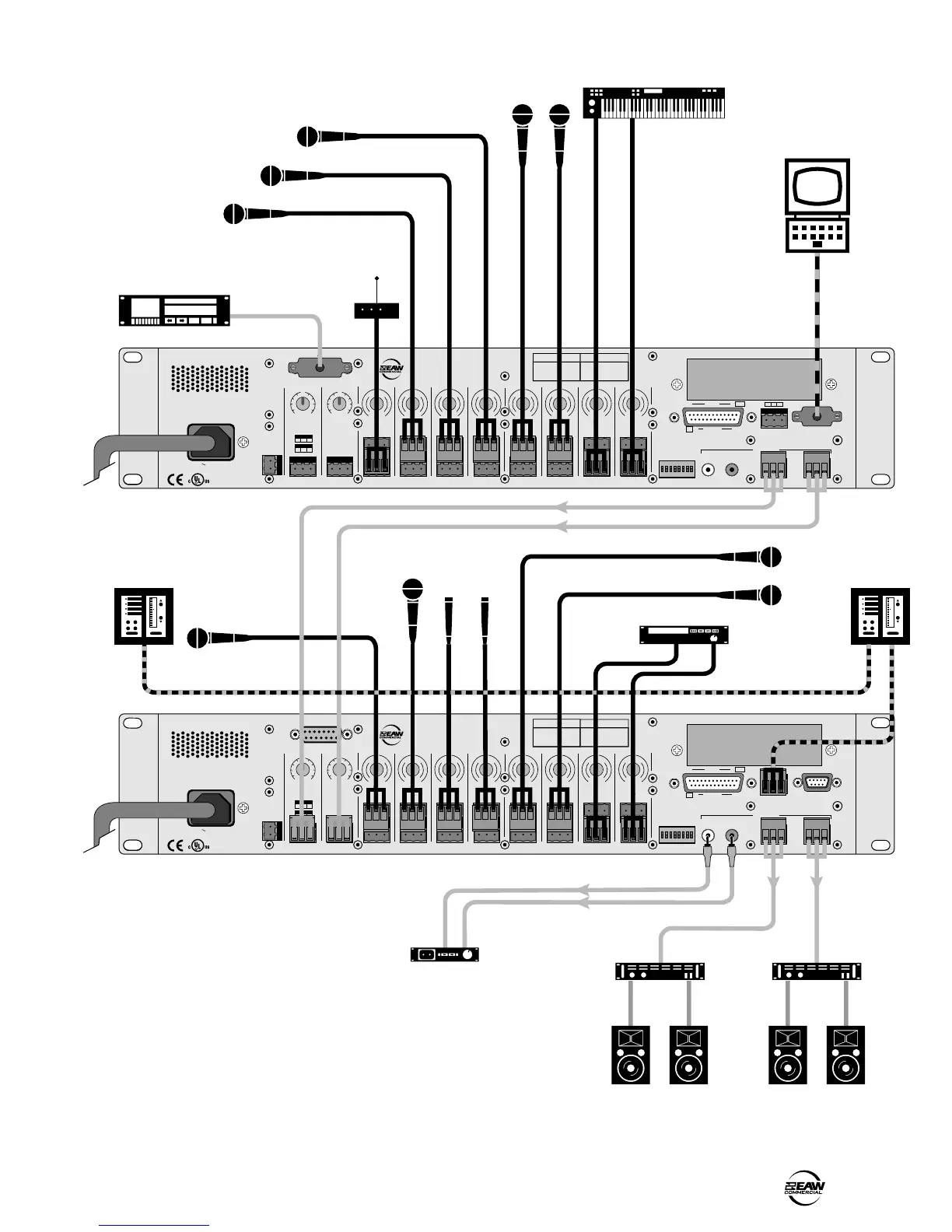
CD Player
Pulpit
Fellowship
Hall
Left Right
Stereo Power Amplifiers
in Mono Mode
Sanctuary
Primary
Secondary
Left Right
Fellowship Hall
Vocals
Vocals
Vocals
Lecturn
Remote Controls
Optional Live Recording
Digital Multitrack Recorder
Choir
Cassette Deck
Wireless Microphone
Receiver for
Lead Vocalist
Drum Mics
Laptop with
DX8-PC Application
0
3
6
8
10
5
10
15
20
25
30
40
Remote Controls
0
3
6
8
10
5
10
15
20
25
30
40
C: Two DX8s in Church Application