EasyManua.ls Logo

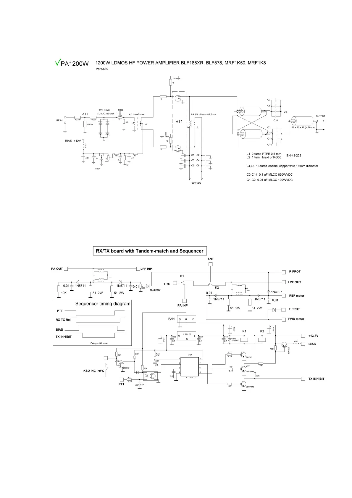
eb104 EB1200 - PA1200 W Schematic and RX;TX Board; RX;TX Board with Tandem-match and Sequencer

Default Icon
12 pages
Print Icon
To Next Page IconTo Next Page
To Next Page IconTo Next Page
To Previous Page IconTo Previous Page
To Previous Page IconTo Previous Page
Loading...
11

Related product manuals