EasyManua.ls Logo

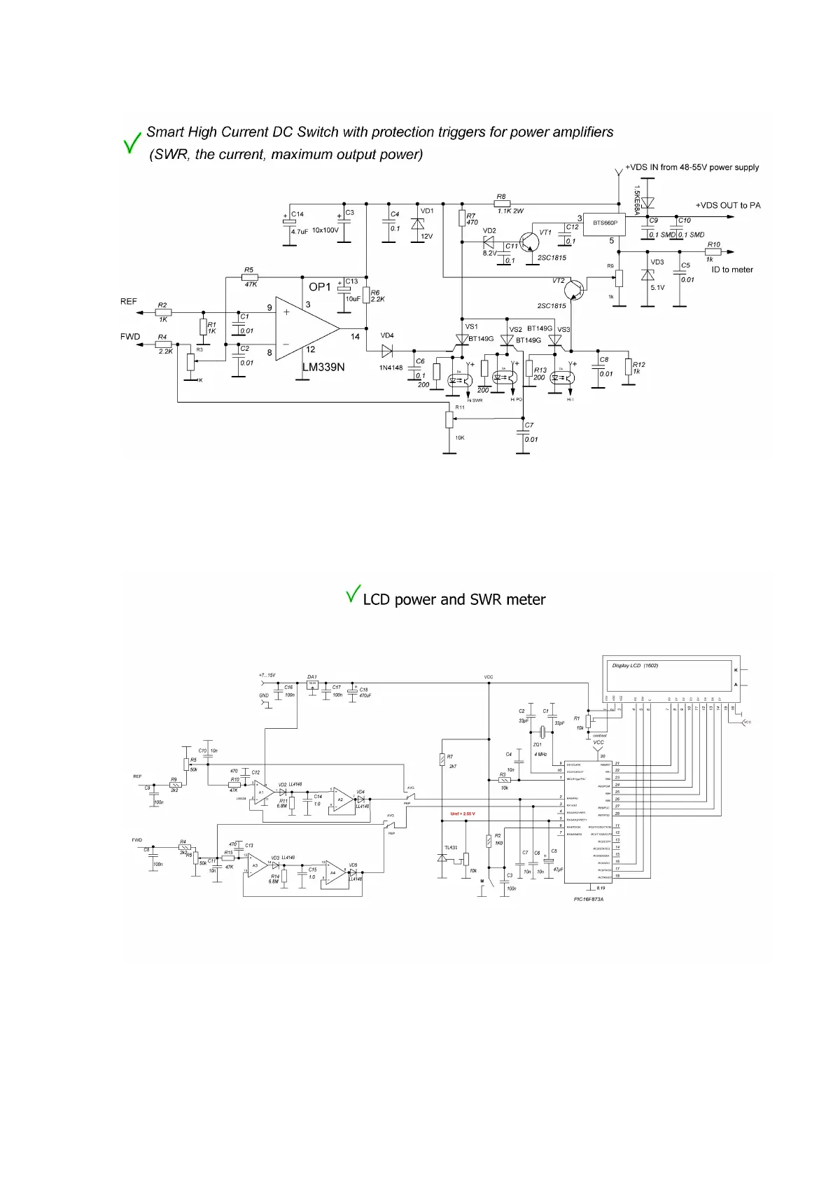
eb104 EB1200 - Smart High Current DC Switch and LCD Meter; LCD Power and SWR Meter

Default Icon
12 pages
Print Icon
To Previous Page IconTo Previous Page
To Previous Page IconTo Previous Page
Loading...
12

Related product manuals