EasyManua.ls Logo

Echo ES-210 - PARTS CATALOG SERIAL NUMBER P08711001001 - P08711999999

Echo ES-210 - PARTS CATALOG SERIAL NUMBER P08711001001 - P08711999999
44 pages
To Next Page IconTo Next Page
To Next Page IconTo Next Page
To Previous Page IconTo Previous Page
To Previous Page IconTo Previous Page
Loading...
99922203940 - 8 - REVISED 05/26/09
Table of Contents Part Number Index
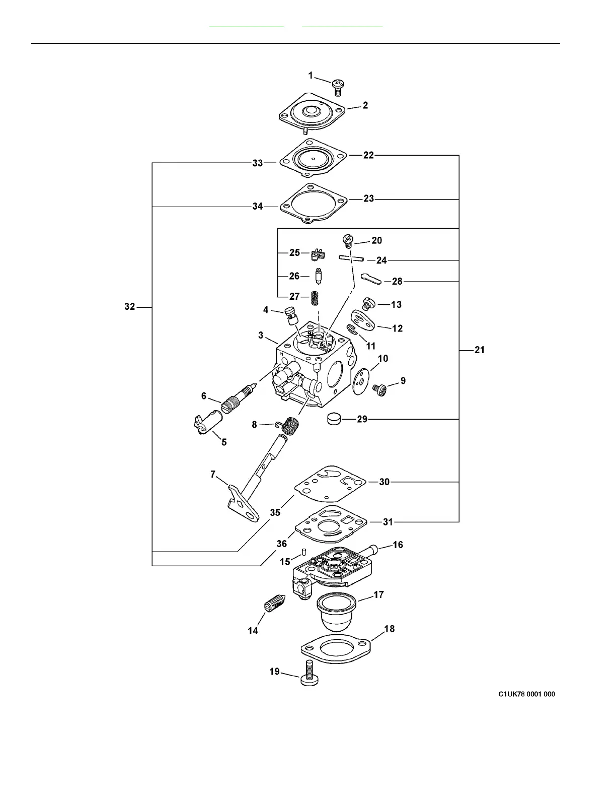
ES-210 Shred 'N' Vac Carburetor -- C1U-K78

Related product manuals