EasyManua.ls Logo

Echo ES-210 - PARTS CATALOG SERIAL NUMBER P11012001001 - P11012999999

Echo ES-210 - PARTS CATALOG SERIAL NUMBER P11012001001 - P11012999999
42 pages
To Next Page IconTo Next Page
To Next Page IconTo Next Page
To Previous Page IconTo Previous Page
To Previous Page IconTo Previous Page
Loading...
99922203941 - 8 - REVISED 05/26/09
Table of Contents Part Number Index
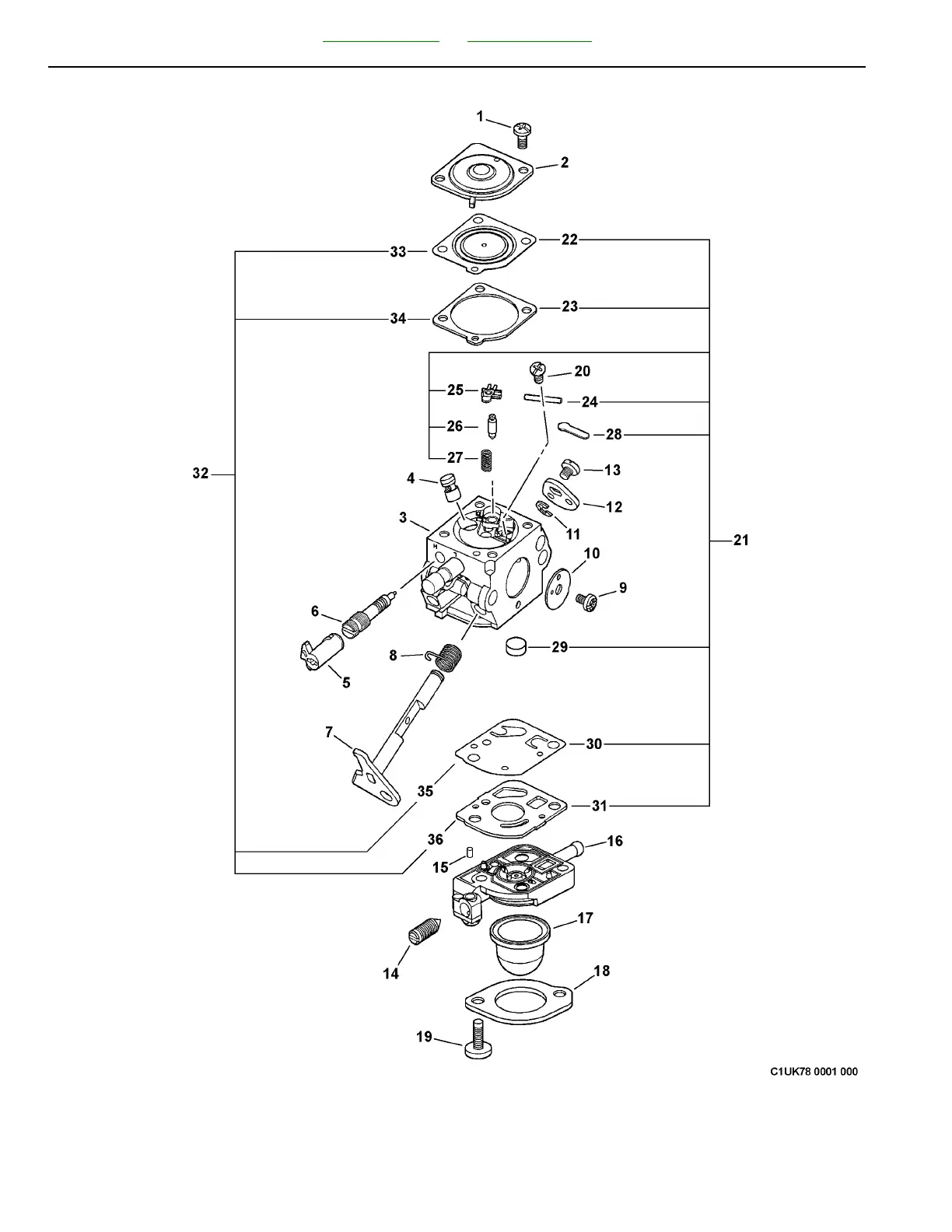
ES-210 Shred 'N' Vac Carburetor -- C1U-K78

Related product manuals