EasyManua.ls Logo

Echo PAS-2620ES - Page 105

Echo PAS-2620ES
124 pages
Print Icon
To Next Page IconTo Next Page
To Next Page IconTo Next Page
To Previous Page IconTo Previous Page
To Previous Page IconTo Previous Page
Loading...
7
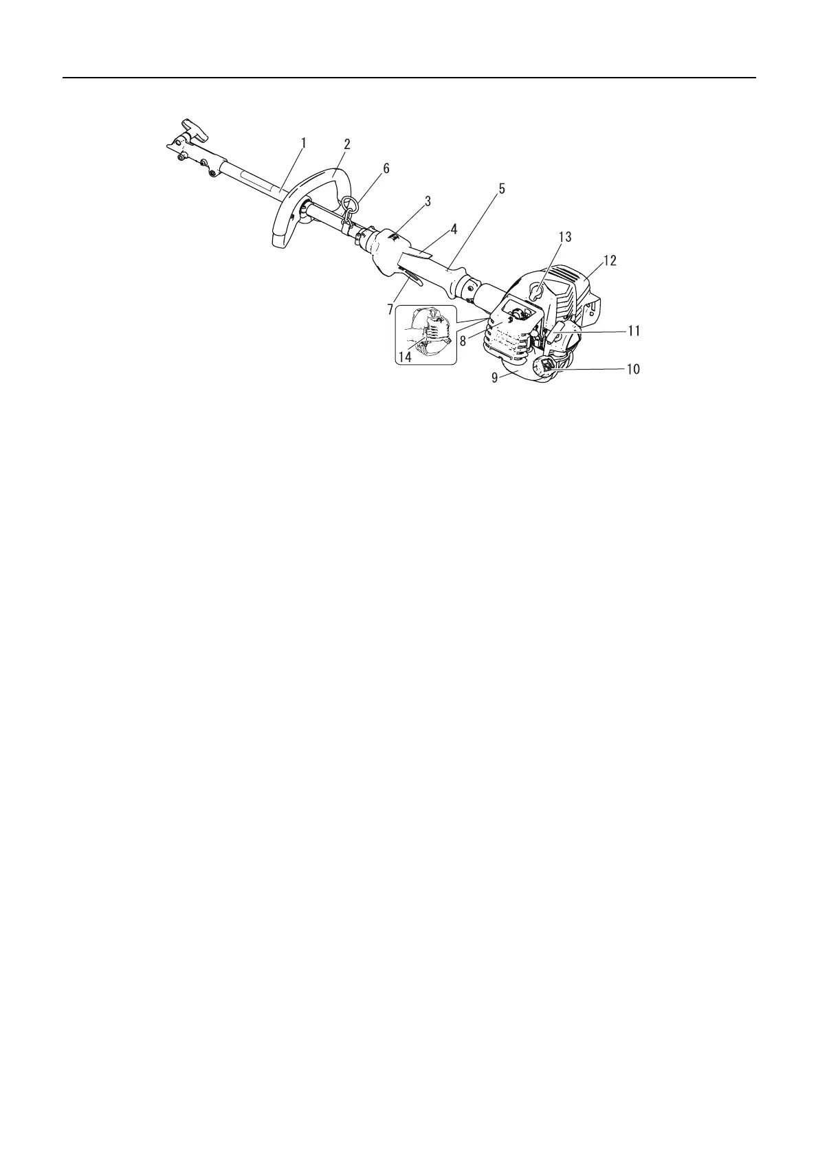
Descripción
Descripción
1. CONJUNTO DE EJE DE TRANSMISIÓN SUPERIOR
Incluye el conjunto del mango posterior (mano dere-
cha), el conjunto de manillar único (delantero, izquier-
do), el cable de transmisión flexible, el acoplador del
conjunto del eje de transmisión y el cabezal de transmi-
sión.
2. Manillar único El manillar (delantero) debe instalarse
en el conjunto del eje de transmisión superior y colocar-
se de forma que se logre la actitud de corte adecuada
así como la comodidad del usuario.
3. Interruptor de encendido "Interruptor deslizable"
montado en la parte superior de la caja del gatillo del
acelerador. Deslícelo hacia adelante para ARRANCAR
el motor y hacia atrás para PARARLO.
4. Bloqueo del gatillo del acelerador Bloquea el gatillo
en la posición de ralentí, hasta que su mano derecha
agarre bien el manillar.
5. Mango Asidero trasero. (mano derecha)
6. Punto de suspensión Dispositivo al que puede engan-
charse el arnés.
7. Gatillo del acelerador Se acciona con el dedo y sirve
para controlar la velocidad del motor.
8. Tapa del filtro de aire Recubre y protege el filtro de ai-
re.
9. Depósito de combustible Contiene el combustible y el
filtro de combustible.
10. Tapón del depósito de combustible Para cerrar el de-
pósito de combustible.
11. Tirador del estárter Tire de este tirador para arrancar
el motor.
12. Tapa del silenciador Cubre el silenciador para que el
usuario no toque la superficie caliente del mismo.
13. Bujía
14. Tipo y número de serie

Related product manuals