EasyManua.ls Logo

Echo PAS-2620ES - Page 34

Echo PAS-2620ES
124 pages
Print Icon
To Next Page IconTo Next Page
To Next Page IconTo Next Page
To Previous Page IconTo Previous Page
To Previous Page IconTo Previous Page
Loading...
8
Description
Description
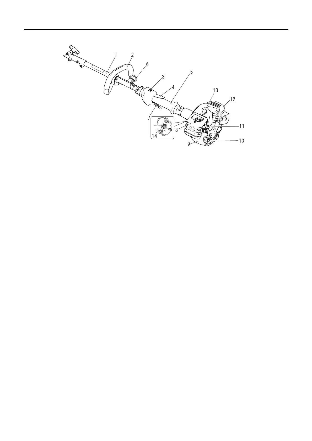
1. ARBRE DE TRANSMISSION SUPERIEUR Comprend
la poignée arrière (droite), la poignée semi-circulaire
(avant gauche), le câble d'entraînement flexible, le cou-
pleur de l'arbre de transmission et la tête de l'appareil.
2. Poignée semi-circulaire La poignée semi-circulaire
(avant) doit être montée sur l'arbre de transmission su-
périeur et positionnée de sorte à offrir une position opti-
male pour le travail de coupe et le confort de l'utilisateur.
3. Interrupteur marche/arrêt. « Interrupteur à glissière »
monté sur le dessus du boîtier de la gâchette d'accélé-
rateur. Basculer l'interrupteur vers l'avant pour
MARCHE, vers l'arrière pour ARRET.
4. Blocage de la gâchette. Bloque la gâchette en position
de ralenti jusqu'à ce que l'utilisateur puisse positionner
correctement sa main droite sur la poignée.
5. Poignée Poignée arrière (droite).
6. Point d'accrochage. Dispositif sur lequel le harnais
peut être accroché.
7. Gâchette d'accélérateur. Activée par le doigt de l'utili-
sateur pour contrôler le régime moteur.
8. Couvercle de filtre à air. Recouvre le filtre à air.
9. Réservoir de carburant Contient le carburant et le filtre
à carburant.
10. Bouchon du réservoir de carburant. Ferme le réser-
voir de carburant.
11. Poignée de lanceur. Tirer sur la poignée pour démar-
rer le moteur.
12. Couvercle de silencieux. Recouvre le silencieux pour
empêcher tout contact avec la surface brûlante du silen-
cieux.
13. Bougie d'allumage
14. Type et numéro de série

Related product manuals