EasyManua.ls Logo

Echo PAS-2620ES - Page 57

Echo PAS-2620ES
124 pages
Print Icon
To Next Page IconTo Next Page
To Next Page IconTo Next Page
To Previous Page IconTo Previous Page
To Previous Page IconTo Previous Page
Loading...
7
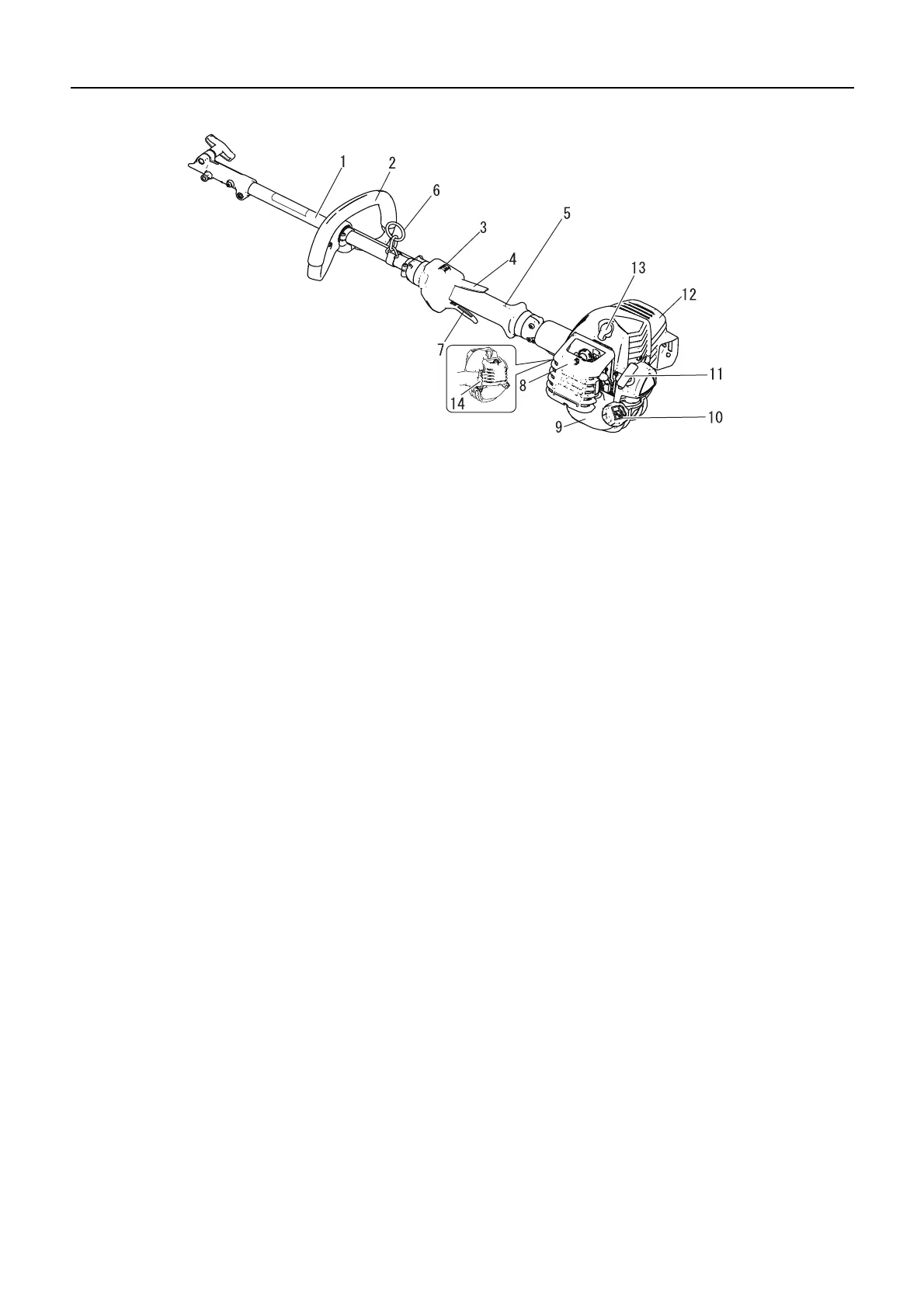
Beschreibung
Beschreibung
1. OBERE ANTRIEBSWELLENBAUGRUPPE Beinhaltet
den hinteren Haltegriff (rechte Hand), den Rundgriff
(vorn, linke Hand), die flexible Antriebswelle, die
Antriebswellenverbindung und das Kopfteil.
2. Rundgriff Der Rundgriff (vorn) muss auf der oberen
Antriebswellenbaugruppe montiert werden. Er muss so
angebracht werden, dass der Bediener damit
einwandfrei und bequem arbeiten kann.
3. Stoppschalter Schiebeschalter, der oben am Gehäuse
des Gashebels montiert ist. Schalter für den Betrieb
nach vorn auf „RUN", zum Stoppen des Motors nach
hinten auf „STOP" stellen.
4. Gashebelsperre Dient zum Arretieren des Gashebels
im Leerlauf, bis Sie mit der rechten Hand den Griff ganz
umgriffen haben.
5. GRIFF Hinterer Griff (rechte Hand).
6. Trageöse Vorrichtung, mit der das Gerät am
Schultergurt befestigt wird.
7. Gashebel Regelt die Motordrehzahl und wird durch den
Bediener mit einem Finger betätigt.
8. Luftfilterabdeckung Deckt den Luftfilter ab.
9. Kraftstofftank Enthält Kraftstoff und Kraftstofffilter.
10. Kraftstofftankdeckel Verschließt den Kraftstofftank.
11. Startergriff Ziehen Sie an diesem Griff, um den Motor
zu starten.
12. Auspuffabdeckung Dient zum Schutz vor
versehentlicher Berührung des heißen Schalldämpfers.
13. Zündkerze
14. Typ und Seriennummer

Related product manuals