EasyManua.ls Logo

Echo PAS-2620ES - Page 81

Echo PAS-2620ES
124 pages
Print Icon
To Next Page IconTo Next Page
To Next Page IconTo Next Page
To Previous Page IconTo Previous Page
To Previous Page IconTo Previous Page
Loading...
7
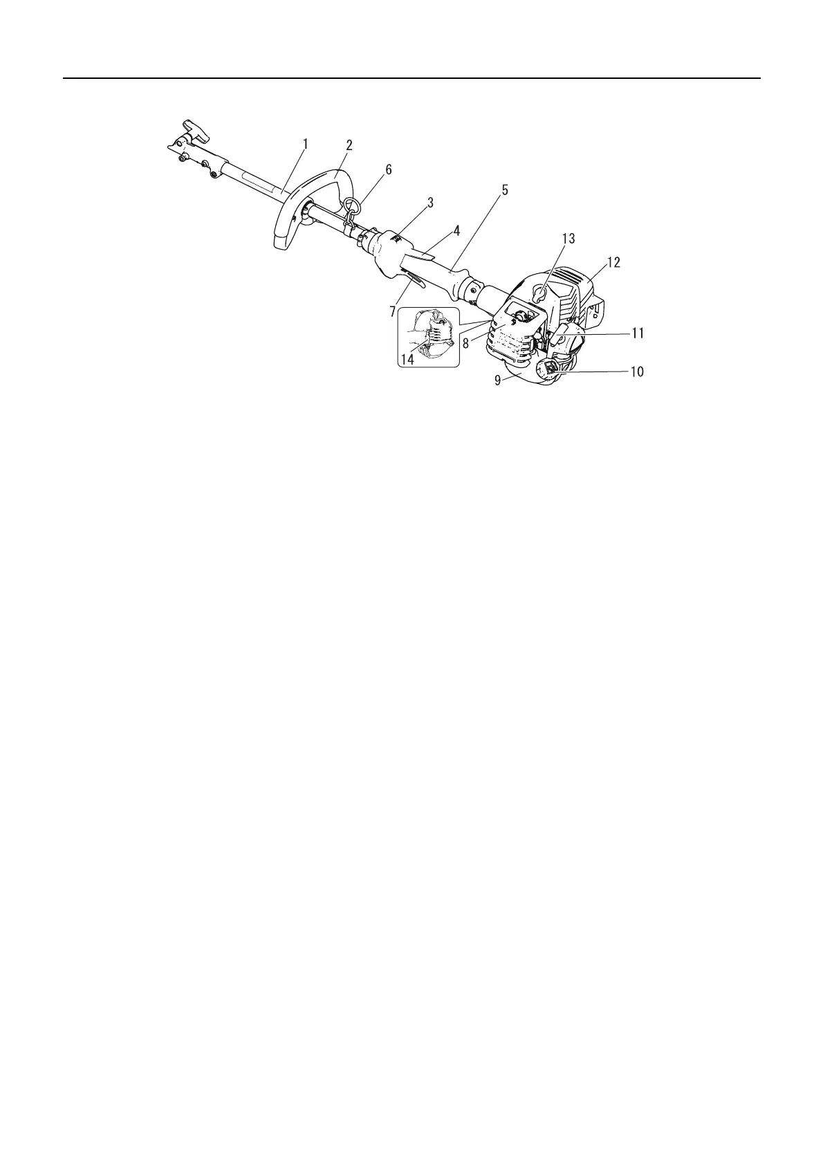
Descrizione
Descrizione
1. GRUPPO ALBERO MOTORE SUPERIORE Include
l'impugnatura posteriore (mano destra), l'impugnatura
ad anello (anteriore, mano sinistra), cavo flessibile della
trasmissione, attacco gruppo albero motore e testa.
2. Impugnatura ad anello L'anello (anteriore) deve esse-
re assemblato sul gruppo albero motore superiore e po-
sizionato in base alle preferenze di taglio e al comfort
dell'operatore.
3. Interruttore di accensione Interruttore "scorrevole"
montato sulla sede della leva del gas. Spostare in avanti
per AVVIARE e indietro per ARRESTARE.
4. Fermo acceleratore Blocca la leva del gas in folle fin
quando la mano destra non afferra saldamente l'impu-
gnatura.
5. IMPUGNATURA Impugnatura posteriore (mano de-
stra).
6. Punto di sospensione Dispositivo su cui si aggancia la
cintura a bandoliera.
7. Leva del gas Azionata dall'utente con la mano per con-
trollare il regime del motore.
8. Coperchio del filtro dell'aria Copre il filtro dell'aria.
9. Serbatoio del carburante Contiene il carburante e il fil-
tro del carburante.
10. Tappo del serbatoio carburante Copre e sigilla il ser-
batoio del carburante.
11. Impugnatura di avviamento Tirare l'impugnatura per
avviare il motore.
12. Carter marmitta Impedisce all'utente di toccare la su-
perficie calda della marmitta.
13. Candela
14. Tipo e numero di serie

Related product manuals