EasyManua.ls Logo

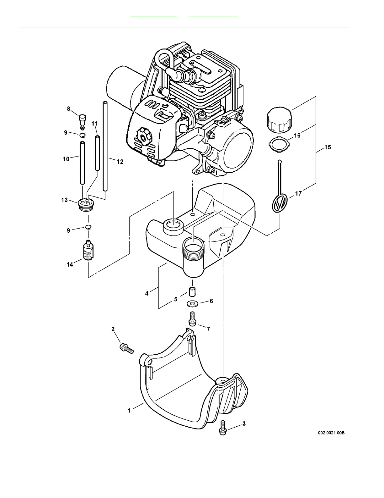
Echo PPT-260 - PARTS CATALOG SERIAL NUMBER 06001001-06999999 - Fuel System

Echo PPT-260 - PARTS CATALOG SERIAL NUMBER 06001001-06999999
44 pages
Print Icon
To Next Page IconTo Next Page
To Next Page IconTo Next Page
To Previous Page IconTo Previous Page
To Previous Page IconTo Previous Page
Loading...
99922203284_260/06 - 6 - REVISED 02/24/09
Table of Contents Part Number Index
PPT-260 Power Pruner Fuel System

Related product manuals