EasyManua.ls Logo

Echo PPT-260 - PARTS CATALOG SERIAL NUMBERS 07001001-07999999 - Page 28

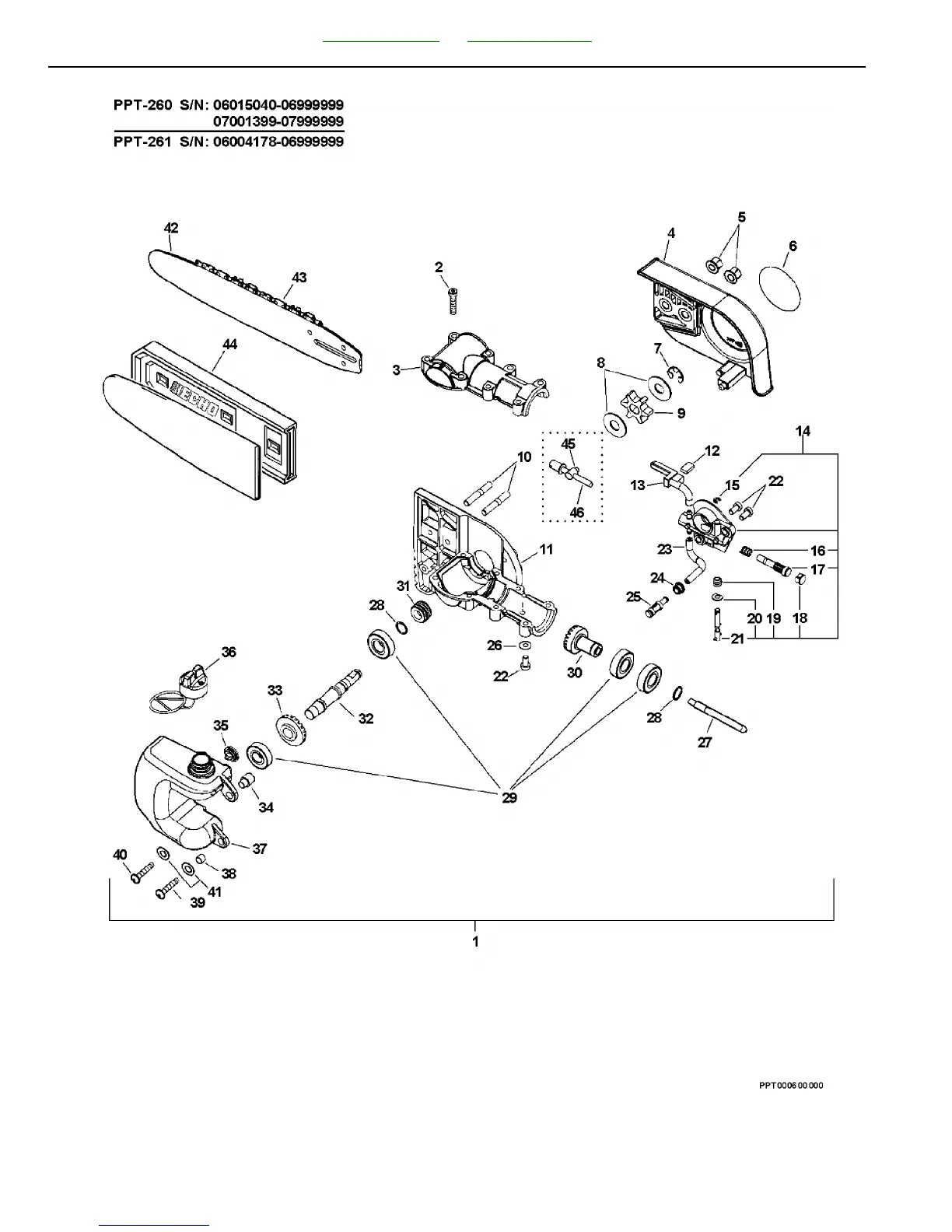
Echo PPT-260 - PARTS CATALOG SERIAL NUMBERS 07001001-07999999
48 pages
Print Icon
To Next Page IconTo Next Page
To Next Page IconTo Next Page
To Previous Page IconTo Previous Page
To Previous Page IconTo Previous Page
Loading...
99922203284_260/07 - 28 - REVISED 02/03/11
Table of Contents Part Number Index
PPT-260 Power Pruner Gear Case, Auto-Oiler, Guide Bar, Chain S/N: 07001399 - 07999999

Related product manuals