EasyManua.ls Logo

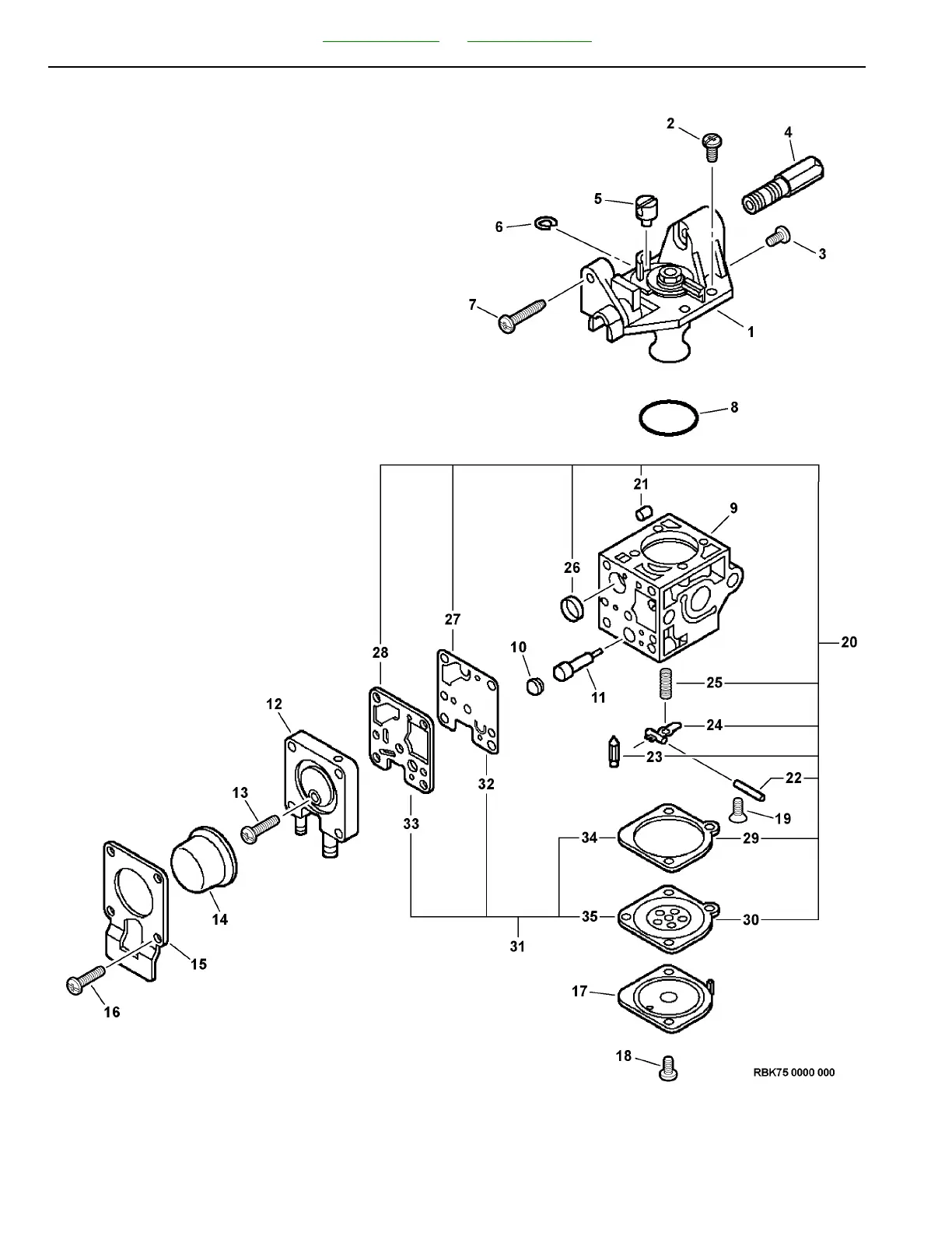
Echo SRM-210 - PARTS CATALOG SERIAL NUMBERS S72812001001-S72812999999 - Carburetor - RB-K75

Echo SRM-210 - PARTS CATALOG SERIAL NUMBERS S72812001001-S72812999999
44 pages
To Next Page IconTo Next Page
To Next Page IconTo Next Page
To Previous Page IconTo Previous Page
To Previous Page IconTo Previous Page
Loading...
99922203986 - 8 - REVISED 08/08/08
Table of Contents Part Number Index
SRM-210 Trimmer Carburetor -- RB-K75

Related product manuals