EasyManua.ls Logo

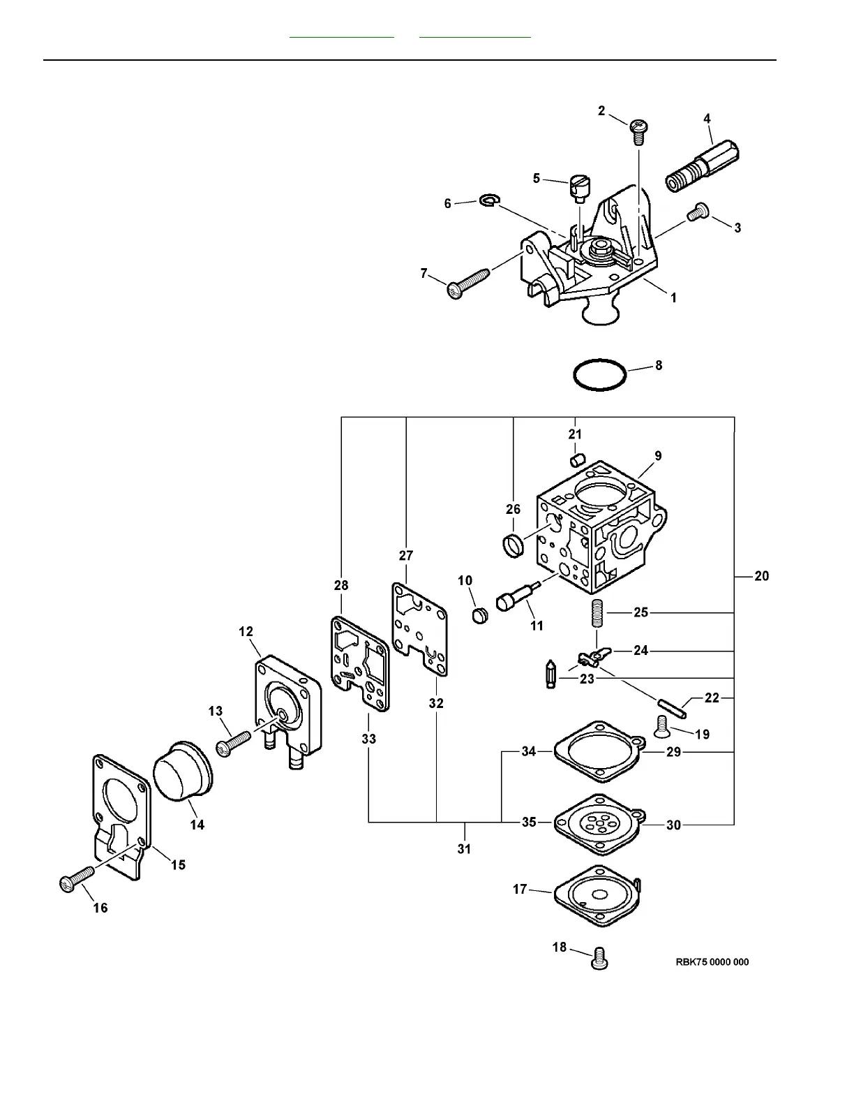
Echo SRM-210 - PARTS CATALOG SERIAL NUMBERS S80313001001-S80313999999 - Carburetor - RB-K75

Echo SRM-210 - PARTS CATALOG SERIAL NUMBERS S80313001001-S80313999999
44 pages
To Next Page IconTo Next Page
To Next Page IconTo Next Page
To Previous Page IconTo Previous Page
To Previous Page IconTo Previous Page
Loading...
99922203987 - 8 - REVISED 08/08/08
Table of Contents Part Number Index
SRM-210 Trimmer Carburetor -- RB-K75

Related product manuals