EasyManua.ls Logo

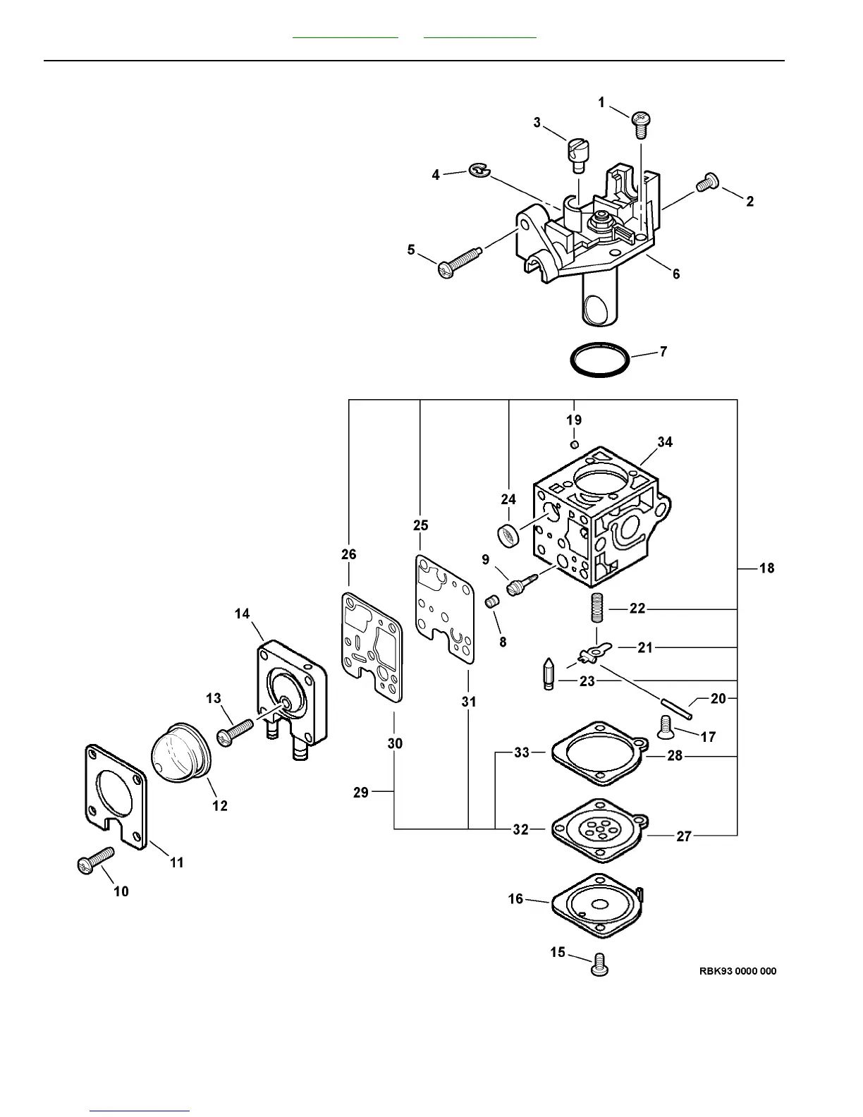
Echo SRM-225 - SERIAL NUMBER S03912001001-S03912999999 - Carburetor RB-K93

Echo SRM-225 - SERIAL NUMBER S03912001001-S03912999999
40 pages
To Next Page IconTo Next Page
To Next Page IconTo Next Page
To Previous Page IconTo Previous Page
To Previous Page IconTo Previous Page
Loading...
99922200777 - 10 - REVISED 02/28/11
Table of Contents Part Number Index
SRM-225 Trimmer Carburetor -- RB-K93

Related product manuals