EasyManua.ls Logo

Echo SRM-230 - PARTS CATALOG SERIAL NUMBERS 07001001-07999999 - Page 16

Echo SRM-230 - PARTS CATALOG SERIAL NUMBERS 07001001-07999999
50 pages
To Next Page IconTo Next Page
To Next Page IconTo Next Page
To Previous Page IconTo Previous Page
To Previous Page IconTo Previous Page
Loading...
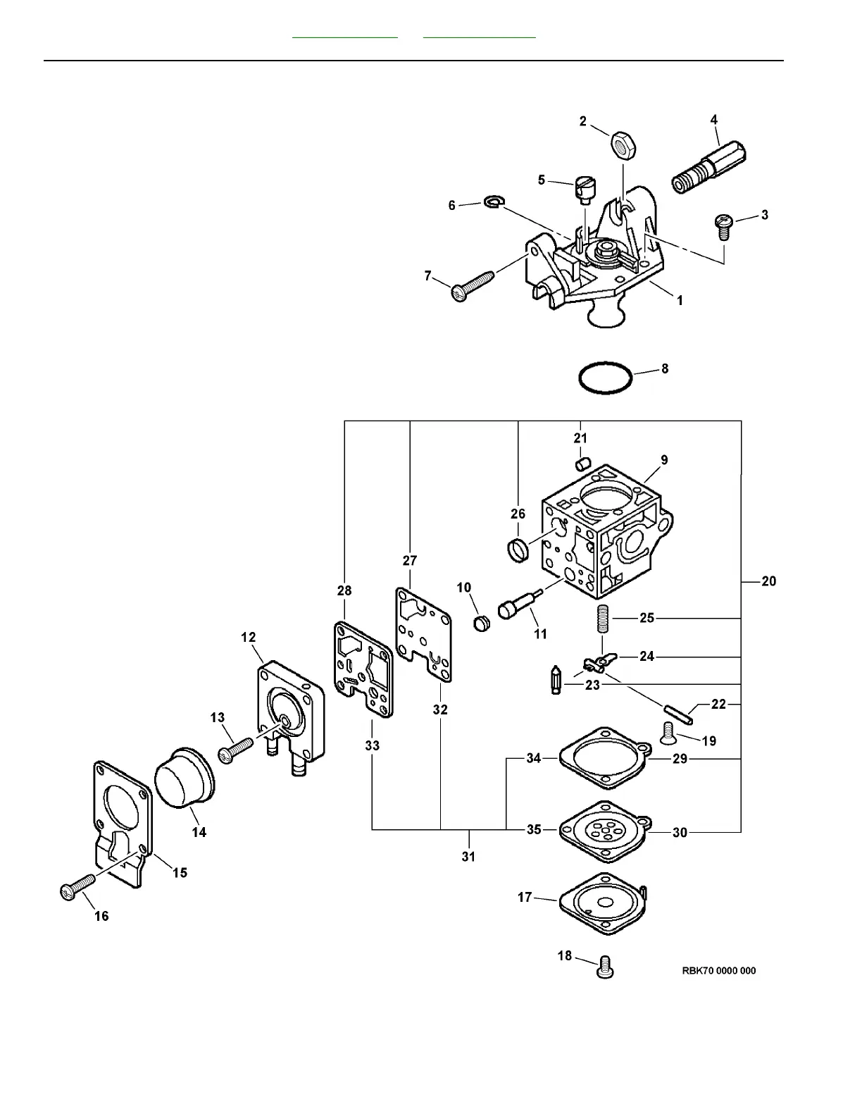
99922203528_230/07 - 16 - REVISED 05/19/09
Table of Contents Part Number Index
SRM-230 Trimmer Carburetor -- RB-K70 S/N: 07002261 - 07002288

Related product manuals