EasyManua.ls Logo

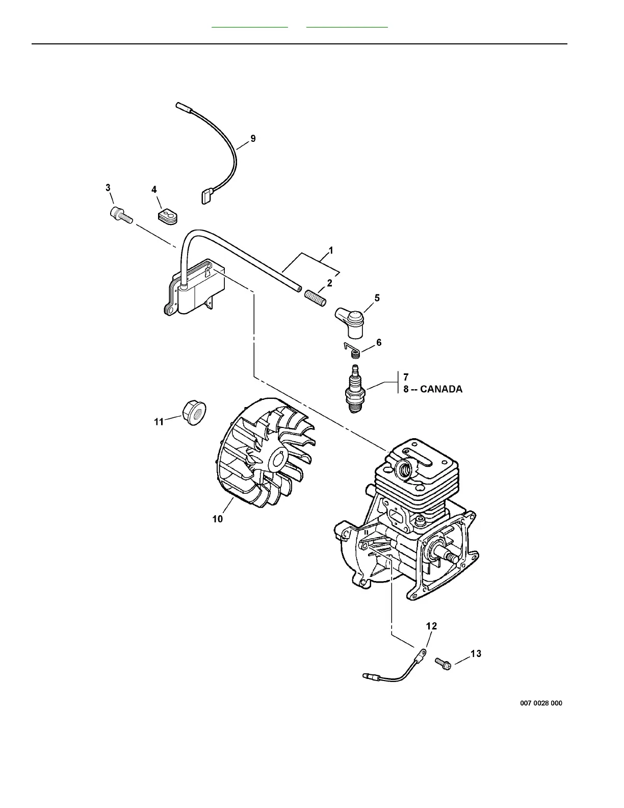
Echo SRM-260 - PARTS CATALOG SERIAL NUMBERS 07001001-07999999 - Ignition System Components

Echo SRM-260 - PARTS CATALOG SERIAL NUMBERS 07001001-07999999
42 pages
Print Icon
To Next Page IconTo Next Page
To Next Page IconTo Next Page
To Previous Page IconTo Previous Page
To Previous Page IconTo Previous Page
Loading...
99922203538_260/07 - 20 - REVISED 10/22/08
Table of Contents Part Number Index
SRM-260 Trimmer Ignition

Related product manuals