EasyManua.ls Logo

EdilKamin ECOIDRO - System Configurations and Diagrams; Combined Heating System; Instant Hot Water System (IDROKIT)

EdilKamin ECOIDRO
Print Icon
To Next Page IconTo Next Page
To Next Page IconTo Next Page
To Previous Page IconTo Previous Page
To Previous Page IconTo Previous Page
Loading...
29
ENGLISH
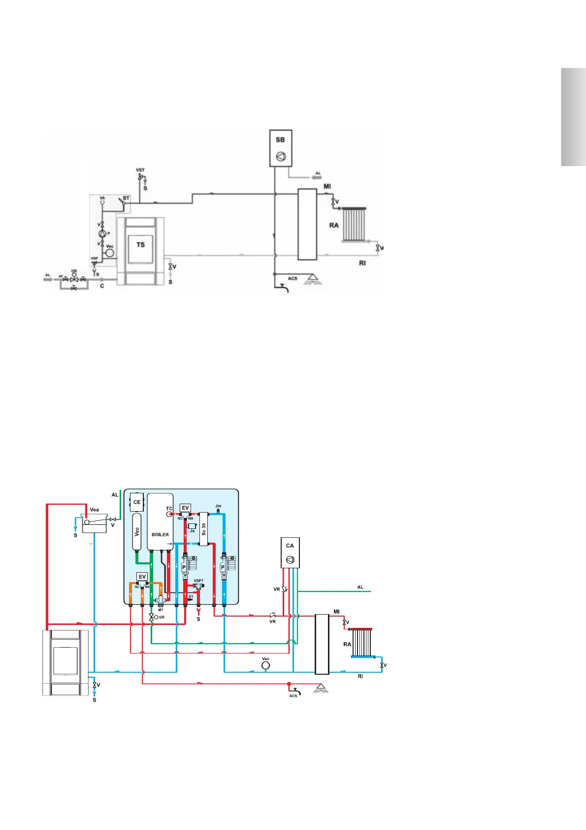
Boiler-stove system for heating combined with a water heater.
This layout is purely indicative. Have a plumber design and install the system.
LEGENDE
AF: Cold water
AL: Water supply
C: Filling/Topping up
GR: Filling unit
MI: Outlet to system
P: Pump (circulator)
RA: Radiators
RI: Outlet to system
S: Drain
SB: Water heater
ST: Temperature Detector
TS: Boiler-Stove
V: Ball valve
VA : Automati bleed valve
Vec: Closed Expansion Tank
VSP: Safety pressure valve
VST: High temperature drainage valve
System with instant production of domestic hot water with gas boiler assembled IDROKIT
This layout is purely indicative. Have a plumber design and install the system.
internal stove components
manifold
LEGENDE
ACS: Hot Sanitary Water
AF: Cold Water
AL: Water Mains Supply
C: Filling/Top-Up Section
CE: Electronic Panel
EV: 3-way Solenoid Valve
NA: Normally Open
NC: Normally Closed
GR: Pressure Reducer
Ja: Automatic Relief Valve
Jm: Manual Relief Valve
MI: System Flow
MT: Thermostatic Mixer
P: Pump (circulator)
RA: Radiators
RI: System Return
S: Drain
SC30: 30-plate Heat Exchanger
ST: Temperature Sensor
TC: Contact Thermostat
TM: Thermo Fireplace
V: Ball Valve
Vea: Open Expansion Tank
Vec: Closed Expansion Tank
VR: Check Valve
VSPT:Safety Pressure and Temperature Valve
VCA: Boiler
IDROKIT
TM
Collector
Safety pipe Ø> 28mm
Inlet pipe Ø> 18mm
sk ecoidro_multilingue_vers F 28 04 2011.qxp 29/04/2011 15.26 Pagina 30

Related product manuals