EasyManua.ls Logo

Edwards 3-ASU/FT - Page 4

Edwards 3-ASU/FT
4 pages
Print Icon
To Previous Page IconTo Previous Page
To Previous Page IconTo Previous Page
Loading...
4 / 4 P/N 270481 • REV 06 • REB 18JAN13
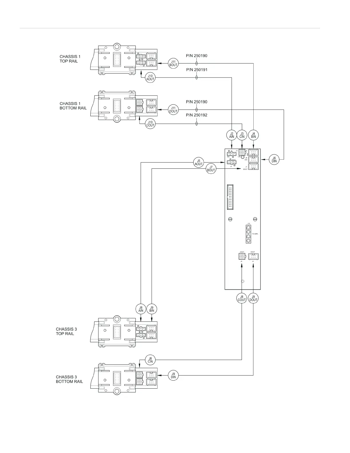
Figure 7: RCIC card wiring diagram