EasyManua.ls Logo

Edwards 3-ASU/FT - Page 3

Edwards 3-ASU/FT
4 pages
Print Icon
To Next Page IconTo Next Page
To Next Page IconTo Next Page
To Previous Page IconTo Previous Page
To Previous Page IconTo Previous Page
Loading...
P/N 270481 • REV 06 • REB 18JAN13 3 / 4
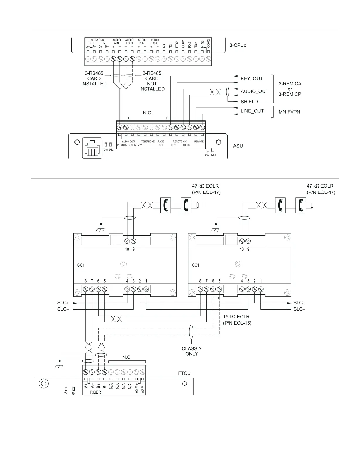
Figure 5: ASU card wiring diagram
Figure 6: FTCU card wiring diagram