EasyManua.ls Logo

Effekta ES4200 - Page 60

Effekta ES4200
84 pages
Print Icon
To Next Page IconTo Next Page
To Next Page IconTo Next Page
To Previous Page IconTo Previous Page
To Previous Page IconTo Previous Page
Loading...
Photovoltaic Solar Inverter Series ES
Comunication Interfaces
ES series
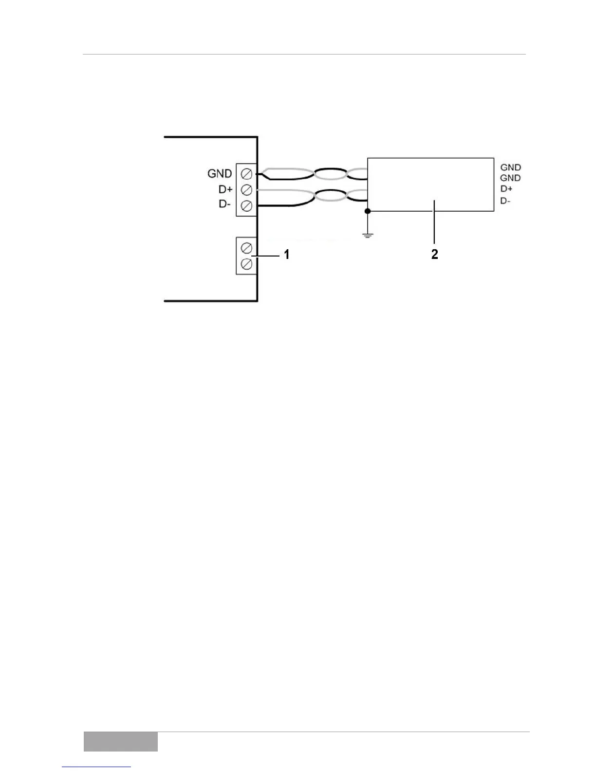
DCI Connection to the RS485 card (first photovoltaic solar
inverter)
1 Nothing should be connected here
2 4-core, twisted-pair, screened cable
Fig. 8-3-3 - 3 Connect the RS485 card (first photovoltaic solar inverter)

Related product manuals