EasyManua.ls Logo

Eico 753 - Page 31

Eico 753
33 pages
Print Icon
To Next Page IconTo Next Page
To Next Page IconTo Next Page
To Previous Page IconTo Previous Page
To Previous Page IconTo Previous Page
Loading...
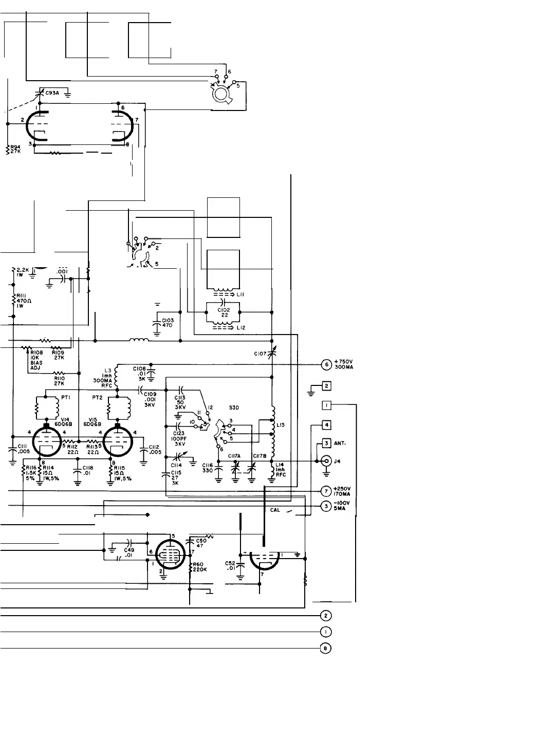
C95
Vl3
100
12
I
220
R91
IOK
1l'
C90 II
62 II
II
R92
IOK
C91
90
R93
22K
it
C92
11
22
II
II
NOTES
fc\
NOS. IN CIRCLES REFER TO
'.::.)
PIN NOS. ON
J5.
0
NOS. IN BOX REFER TO PIN
---.---'
L7
L9
S3B
NOS. ON JS.
ALL RESISTORS 112W, 10 %
UNLESS OTHERWISE NOTED.
SI• FUNCTION SWITCH
S2 MODE SWITCH
S3
BAND SWITCH
Vl2A ,B
12AZ7A
R99
L6
470fi
2.5mh
R98
C94
RFC
27K
47
R96 R97
C96
IOOK IOOK
.01
22
C93B
-=
C97
S3C
12BY7A
CIOO
62
II
===
LIO
18
>05
Rl05
IOOK
RIOI
22K
CIOI
90
ICl05
RI04
Riii
2.2K
470fi
IW
Ll5
RI02
lmh
IK,2W
RFC
RI09
27K
+250V
170MA
-IOOV
CAL
5MA
R57
R58
S4 ON R5
22K VII
2W 6BE6
R59
47K
1oon
R62
47fi
5
R54
IOK
RF GAIN
C48
R55 10
47!1
C46
R56
-01
27K
Vl6
6BA6
C51
C53
-01 -01
R61
IM
12.sv
4 AMPS
115V AC
OR
12V DC
EICO 7 5 3 SCHEMATIC DIAGRAM