EasyManua.ls Logo

eisl DX12004-A - Page 22

eisl DX12004-A
27 pages
Print Icon
To Next Page IconTo Next Page
To Next Page IconTo Next Page
To Previous Page IconTo Previous Page
To Previous Page IconTo Previous Page
Loading...
22
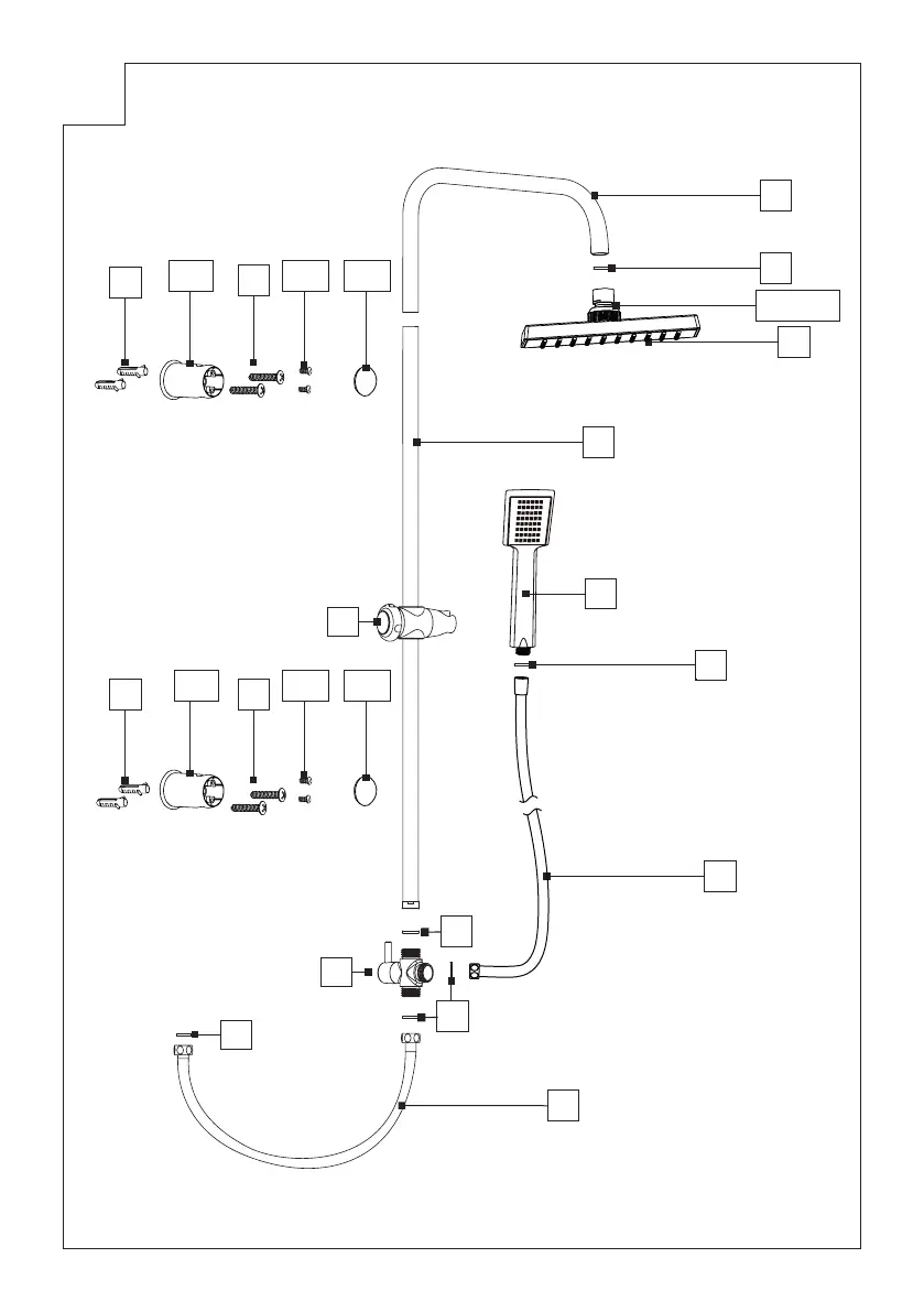
1.1
9
10
11
12.1
12.2
12.3
10
11
12.1
12.2
12.3
2.1
2.2- 2.5
4
4
4
5
6
3
8
1.2
4
7
A

Related product manuals