EasyManua.ls Logo

EKF PROxima RKF-31 - Wiring Diagram; Overall Dimensions

Default Icon
12 pages
Print Icon
To Next Page IconTo Next Page
To Next Page IconTo Next Page
To Previous Page IconTo Previous Page
To Previous Page IconTo Previous Page
Loading...
7
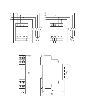
Figure 4 – Relay wiring diagram

3-wire connection
4-wire connection
12 11
14
22 2 1
24
12 11
14
22 2 1
24
3 OVERALL DIMENSIONS
Figure 5 – Overall dimensions of phase monitoring relays