EasyManua.ls Logo

ELECRAFT T1 - Page 12

ELECRAFT T1
12 pages
Print Icon
To Previous Page IconTo Previous Page
To Previous Page IconTo Previous Page
Loading...
12
W. Burdick
E. Swartz
Elecraft
0.45µH
Rev. Sht.
0.05µH 0.11µH
0.22µH
Date
150
By
L1 L2
K2
L3 L4
C1
C2
C3 C4
C5
10
20
39
82
24
3
7
5
6
K7
K8
K15
K6
K5
K14
K13
4.0MHz
Z1
C19
1.0 µf
1 of 1
L-NETWORK SELECT
K8
24
3
7
5
6
C TX
K1
24
3
7
5
6
K3
24
3
7
5
6
K4
24
3
7
5
6
2
4
3
7
5
6
K9
2
4
3
7
5
6
K10
2
4
3
7
5
6
K11
2
4
3
7
5
6
K12
2
4
3
7
5
6
K13
C ANT
J1
TX
J2
Ant.
A B
C D
T1
A B
C D
T2
D2
1N5711
D1
C11
.01
C12
.01
3.3K
R3
R5
R6
3.3K
R4
R1
R2
51
51
3.8µH0.95µH
1.9µH
L5
K5
L6 L7
24
3
7
5
6
K6
24
3
7
5
6
K7
24
3
7
5
6
330
C6
C7
330
2
4
3
7
5
6
K14
2
4
3
7
5
6
K15
MCLR
OSC1
OSC2
RA4
RC0
RC1
RA0
RA1
RA2
RA3
RA5
VSS
RC2
RC3 RC4
RC5
RC6
RC7
VSS
VDD
RB0
RB1
RB3
RB4
RB5
RB6
RB7
RB2
10
14
15
20
25
281
5
U1 16F876A
MCU
BT1
9 V
6V
6V
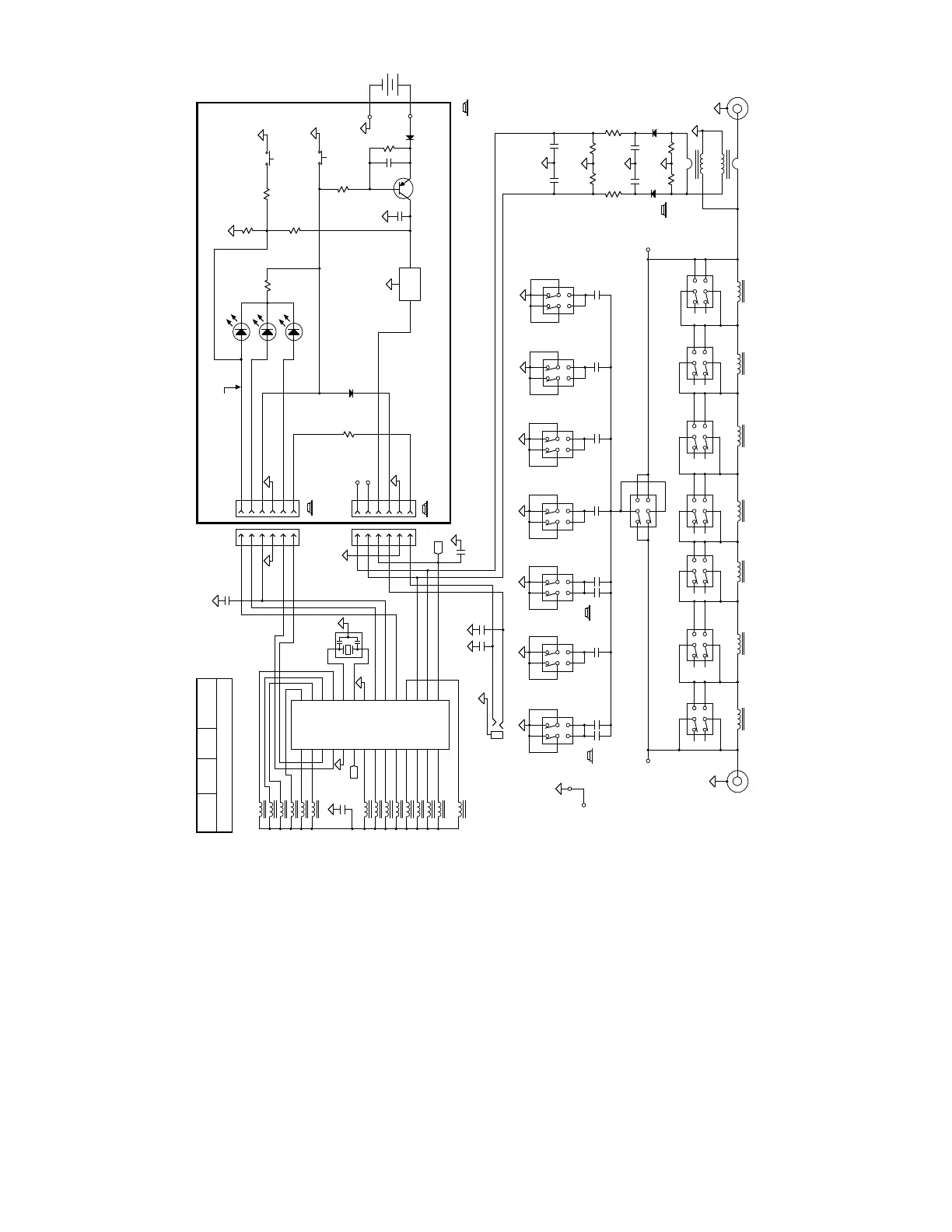
T1 QRP Antenna Tuner
1 2 3 4 5 6
P1
1 2 3 4 5 6
P2
1 2 3 4 5 6
J4
1 2 3 4 5 6
J5
K11
K9
K4
K1
K2
K3
K10
T1CTRL-1
+
-
D3
1N5817
Q1
OUT
GND
IN
U2
VFWD
VREFL
C17
0.01
78L06
S1
J3
C15
.01
C16
.01
F
R
C9
.01
C8
.01
D6 GRN
D8
RED
C18
.01
R21
D4
1N5711
PWR/TUNE
2N3906
K12
Remote
R10
120K
R11
24K
3.3K
D7
YEL
R9
180
R7
R14
1.5 V @ VB=9.0
9V
3.3K
120K
120K 120K
S2
BYP/INFO
R13
3.3K
/HOLD_ON
K1-K15 are single-coil latching relays, shown in the RESET position.
C5A
10
GND Post
E1
C10
.001
G
/TUNE
C7A
330
C20
.01
T
A
6V
DATA
*
*
*
*
*
*
*
*
*
= Leaded part on bottom of PC board.
= Surface-mount part on bottom of PC board. K1-K15 are bypassed by SMD capacitors C21-C35 (not shown) at U1 pins .
B 1-15-2017