EasyManua.ls Logo

ELECTOR XS5 - Notes on the Bypass Installation

ELECTOR XS5
20 pages
Print Icon
To Next Page IconTo Next Page
To Next Page IconTo Next Page
To Previous Page IconTo Previous Page
To Previous Page IconTo Previous Page
Loading...
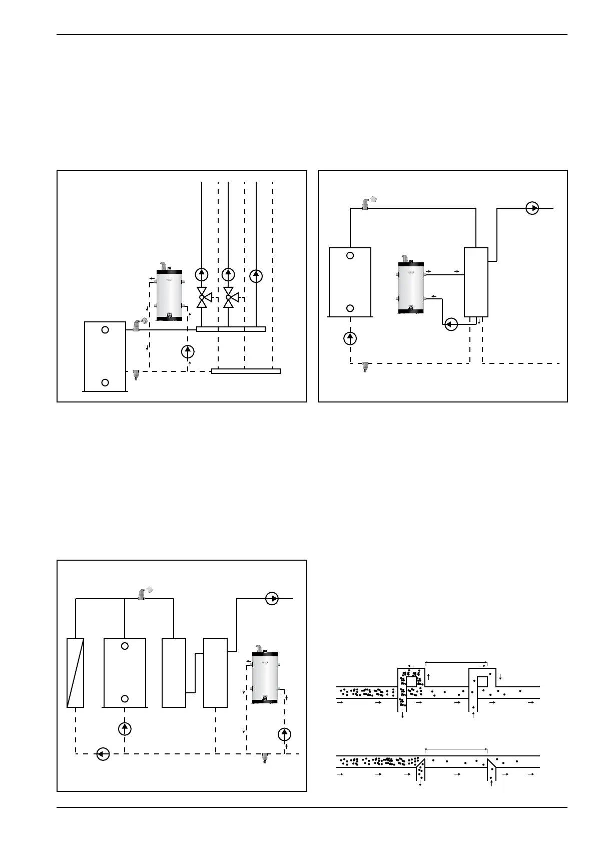
3.3.7 Bypass Mains Return-Mains Return
Installation in systems with circulating impurities and
high oxygen input in several floor heating circuits.
3.3.8 Bypass Buffer
Installation directly on the buffer tank. This installation
variant allows effective treatment of the largest
possible amount of water and prevents settling of
impurities in the buffer tank.
3.3.9 Bypass Main Return in Front of the Buffer
Installation in the main return in front of buffer tanks, if
there is ingress of oxygen to be expected or circulating
impurities are present.
3.3.10 Notes on the Bypass Installation
If the elector is connected to a bypass installation
on a pipeline, ideally the following points should be
considered:
Shortest possible supply line.
Distance between inlet and outlet ~500 mm.
Supply line = nominal dia main line or 1“.
Connection from below with dip tube.
Connection from above or on the side.
Connection from below or from the side with a large
amount of circulating impurities.
elector
Anode mA
elector
Anode mA
elector
Anode mA
≥500mm
≥500mm
Connection from above or the side
Connection from below
Main
Main
Page 8
www.elector-water-treatment.com
elector – Electrochemical Water Treatment for Heating Systems