EasyManua.ls Logo

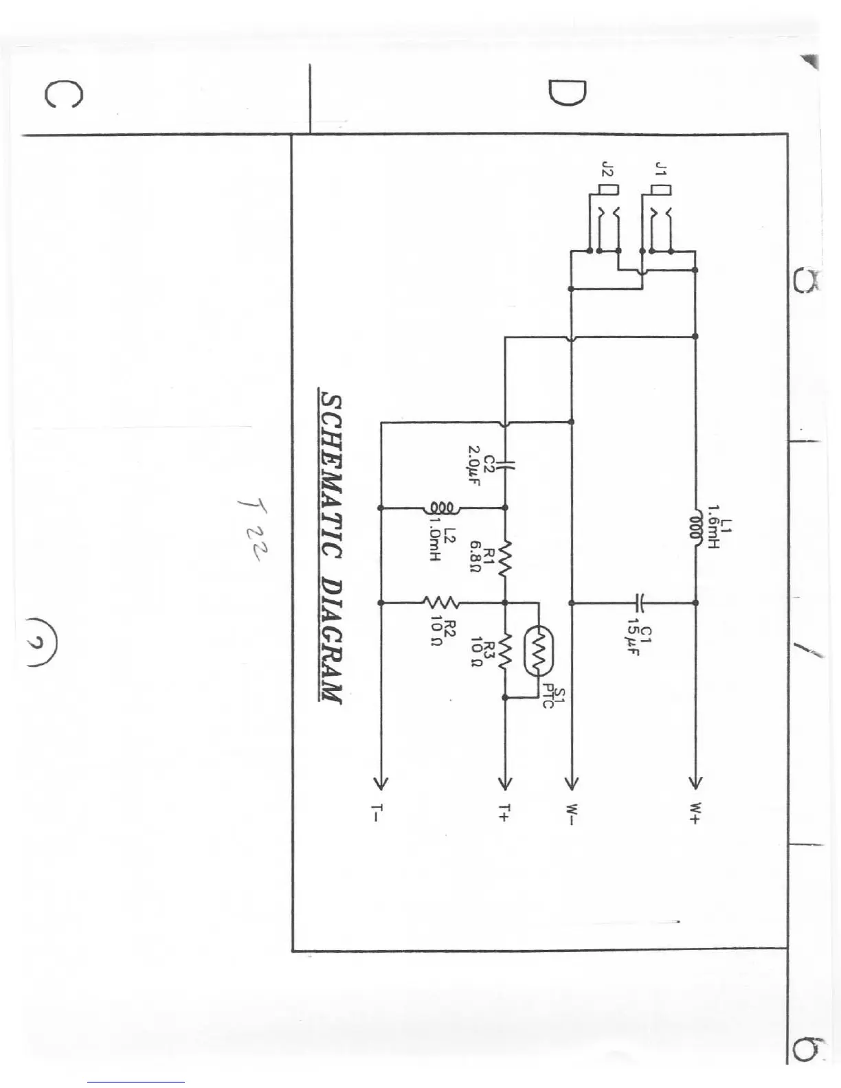
Electro-Voice T22 - SCHEMATIC DIAGRAM; Crossover Network Components; Input;Output Terminals

Electro-Voice T22
4 pages
Print Icon
To Previous Page IconTo Previous Page
To Previous Page IconTo Previous Page
Loading...

Related product manuals