EasyManua.ls Logo

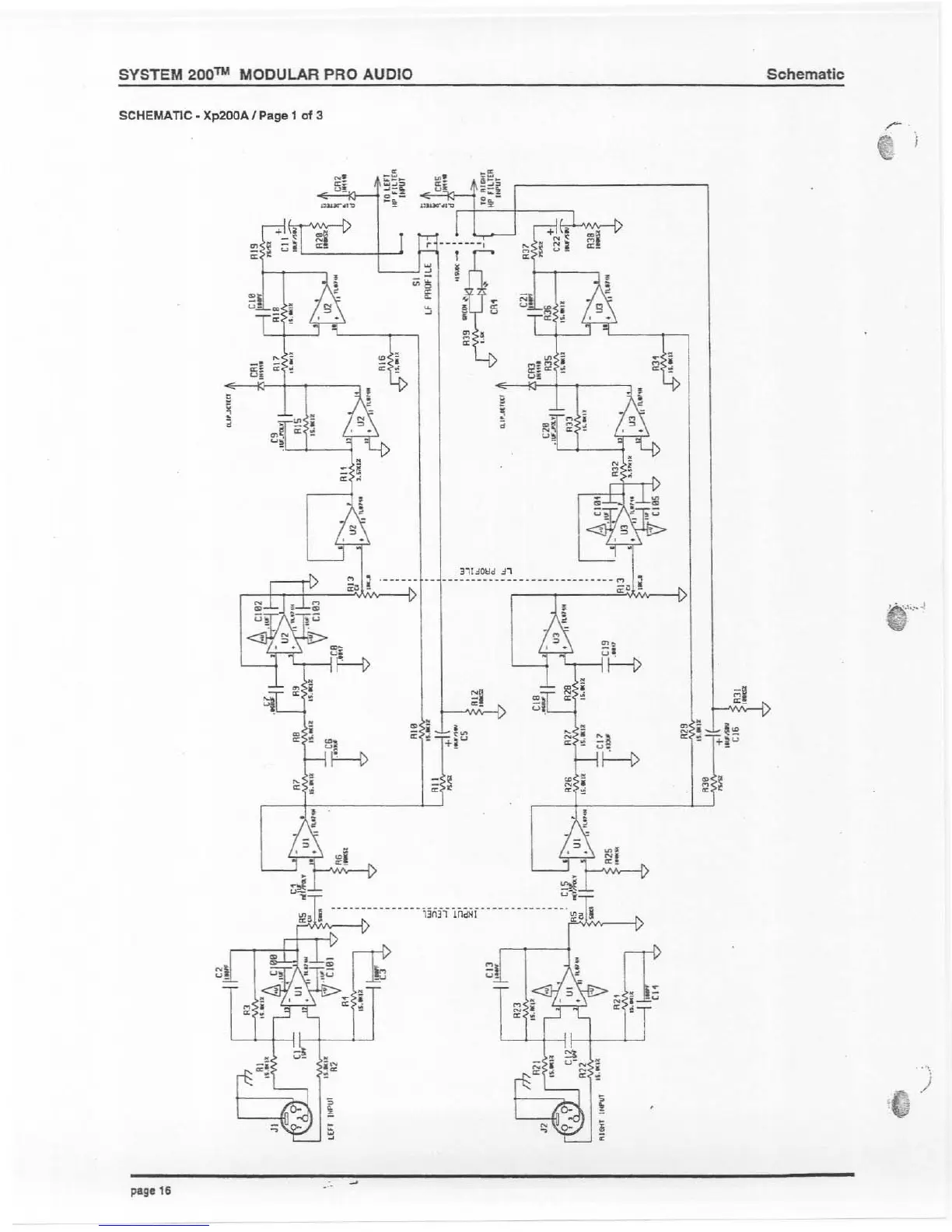
Electro-Voice Xp200A - Schematic Diagrams

Electro-Voice Xp200A
23 pages
Print Icon
To Next Page IconTo Next Page
To Next Page IconTo Next Page
To Previous Page IconTo Previous Page
To Previous Page IconTo Previous Page
Loading...

Related product manuals