EasyManua.ls Logo

Electrolux EI30GS55JSB - Page 38

Electrolux EI30GS55JSB
38 pages
Print Icon
To Previous Page IconTo Previous Page
To Previous Page IconTo Previous Page
Loading...
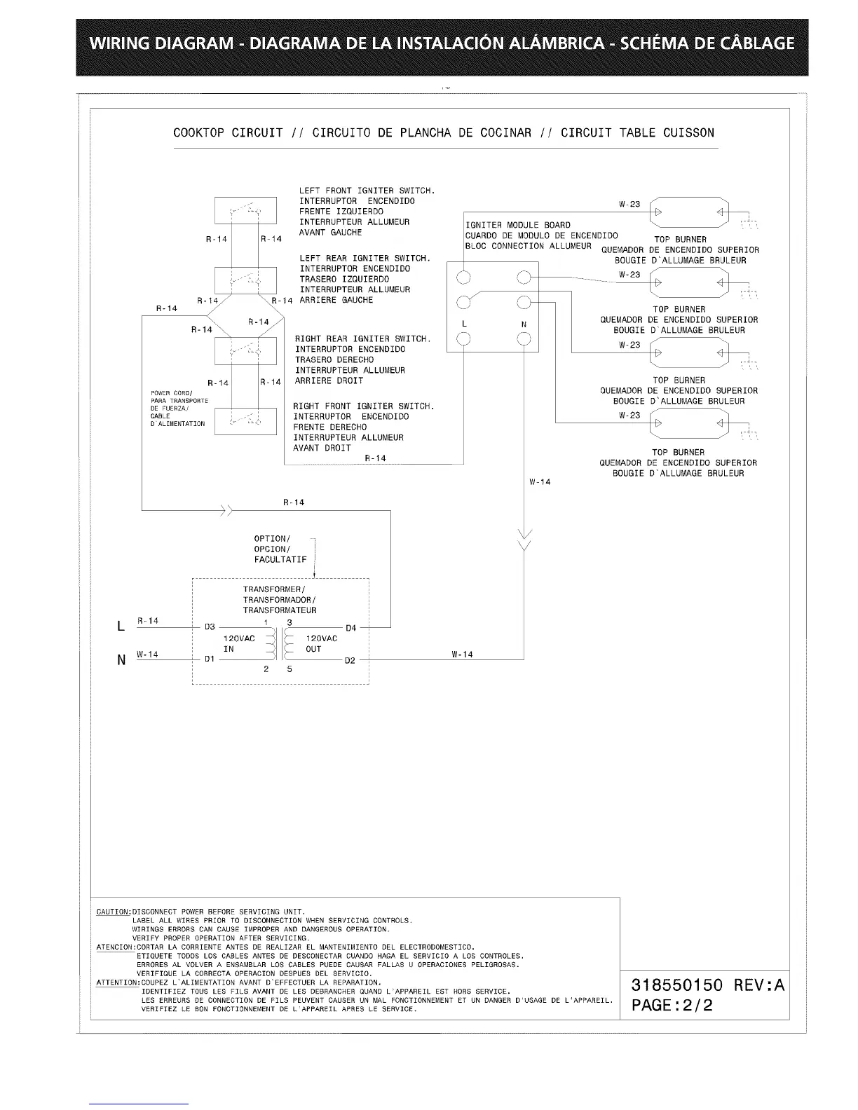
COOKTOP CIRCUIT // CIRCUITO DE PLANCHA DE COCINAR // CIRCUIT TABLE CUISSON
LEFT FRONT IGNITER SWITCH.
i INTERRUPTOR ENCENDIDO
i i
i i
i FRENTE IZQUIERDO
i i
INTERRUPTEUR ALLUMEUR
i i
i i
AVANT GAUCHE
R-t4
i i
i i
i i
i i
i LEFT REAR IGNITER SWITCH.
;; i INTERRUPTOR ENCENDIDO
TRASERO IZQUIERDO
INTERRUPTEUR ALLUMEUR
ARRIERE GAUCHE
i i
ii
i i
i i
i i
i i
i i
i i
i i
i i
i i
i i
i i
i i
i i
i i
L R_14
N w-14
R-14 f \
R-I4 R-1
RIGHT REAR IGNITER SWITCH.
INTERRUPTOR ENCENDIDO
TRASERO DERECHO
INTERRUPTEUR ALLUMEUR
ARRIERE DROIT
RIGHT FRONT IGNITER SWITCH.
INTERRUPTOR ENCENDIDO
FRENTE DERECHO
INTERRUPTEUR ALLUMEUR
AVANT DROIT
R-14
R-14
OPTION/
OPCION/
FACULTATIF I
J
J
TRANSFORMER/
TRANSFORMADOR/
TRANSFORMATEUR
D3 1 3
IN120VAC "_ _ OUT120VAC
D]
2 5
D4
W-14
D2
W-23 _"
U U TOP BURNER OI IRoIOI IELIOIIOE=cENOIO0
BLOC CONNECTION ALLUMEUR QUEMADOR DE ENCENDIDO SUPERIOR
BOUG[E D'ALLUMAGE BRULEUR
'\ ' _ TOP BURNER
TOP BURNER
QUEMADOR DE ENCENDZDO SUPERIOR
BOUGZE D'ALLUMAGE BRULEUR
W-23 _
TOP BURNER
QUEMADOR DE ENCENDIDO SUPERIOR
BOUGIE D'ALLUMAGE BRULEUR
W-14
i i CAUTION;DISCONNECT POWER BEFORE SERVICING UNIT.
i LABEL ALL WIRES PRIOR TO DISCONNECTION WHEN SERVICING CONTROLS.
i WIRINGS ERRORS CAN CAUSE IMPROPER AND DANGEROUS OPERATION.
i VERIFY PROPER OPERATION AFTER SERVICING.
ATENCION_CORTAR LA CORRIENTE ANTES DE REALIZAR EL MANTENZMIENTO GEL ELECTRODOMESTZCO,
ETIOUETE TODOS LOS CABLES ANTES DE DESCONECTAR CUANDO HAGA EL SERVICIO A LOS CONTROLES,
ERRORES AL VOLVER A ENSAMBLAR LOS CABLES PUEDE CAUSAR FALLAS U OPERACZONES PELIGROSAS.
VERIF_QUE LA CORRECTA OPERACION DESPUES DEL SERVICIO+
i ATTENT[ON;COUPEZ L'ALZNENTATZON AVANT D'EFFECTUER LA REPARATION,
_DENTIF_EZ TOUSLES FZLS AVANT DE LES DEBRANCHER QUAND L'APPAREZL EST BORS SERVICE,
LES ERREURS DE CONNECTION DE FZLS PEUVENT CAUSER UN MAL FONCTZONNEMENT ET UN DANGER D'USAGE DE L'APPAREIL,
VERIFIEZ LE BON FONCTIONNEMENT DE L'APPAREIL APRES LE SERVICE,
318550150 REV'A
PAGE'2/2

Related product manuals