EasyManua.ls Logo

Electrolux EOB998w - Page 32

Electrolux EOB998w
49 pages
Print Icon
To Next Page IconTo Next Page
To Next Page IconTo Next Page
To Previous Page IconTo Previous Page
To Previous Page IconTo Previous Page
Loading...
- 32 -
Spares Operation 08.01 A. B. 599 51 19 69 EN
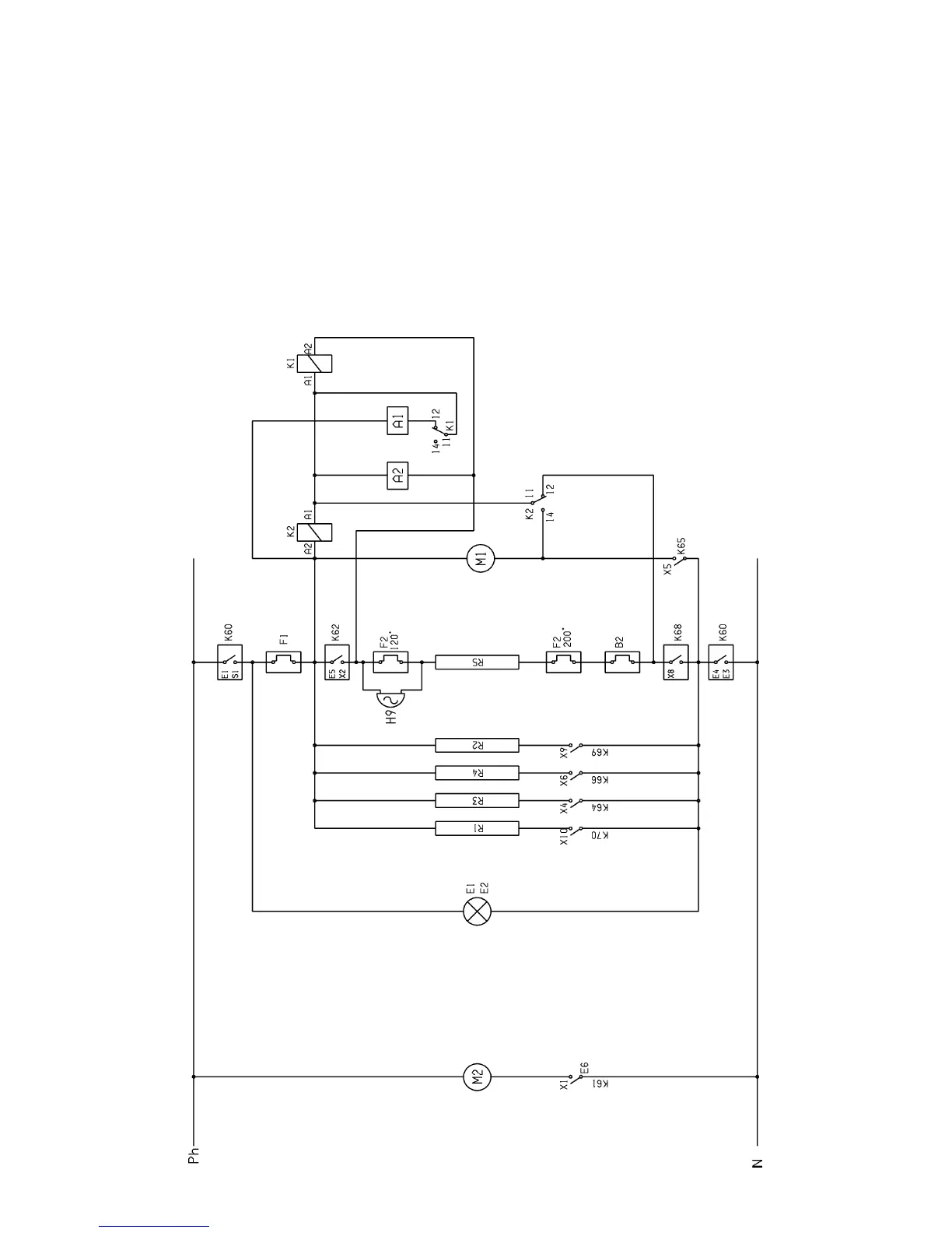
8. Technical information / wiring diagrams
8.1 Electrolux Therma, 230 V, without drawer heating
Legend
A1 actuator, devaporization
A2 actuator, water vapor
vent
B2 steam thermostat
E1 oven light, back
E2 oven light, side
F1 protective temperature
limiter
F2 120 °C limiter
F2 200 °C limiter
H9 buzzer
K1 relay
K2 relay
M1 circulation motor
M2 cooling fan
R1 upper heat
R2 lower heat
R3 grill heating element
R4 ring heating element
R5 steam generator
WOEC
K60 main contactor
K61 relay for cooling fan
K62 steam relay
K64 relay for grill heating
element
K65 relay for circulation motor
K66 relay for ring heating
element
K68 steam relay
K69 relay for upper heat
K70 relay for lower heat
8. Technical information / wiring diagrams
8.1 Electrolux Therma, 230 V, without drawer heating

Related product manuals