EasyManua.ls Logo

Electrolux ICON E24CM75GSS - Wire Diagram Built-in Coffee Maker

Electrolux ICON E24CM75GSS
82 pages
Print Icon
To Previous Page IconTo Previous Page
To Previous Page IconTo Previous Page
Loading...
6-2
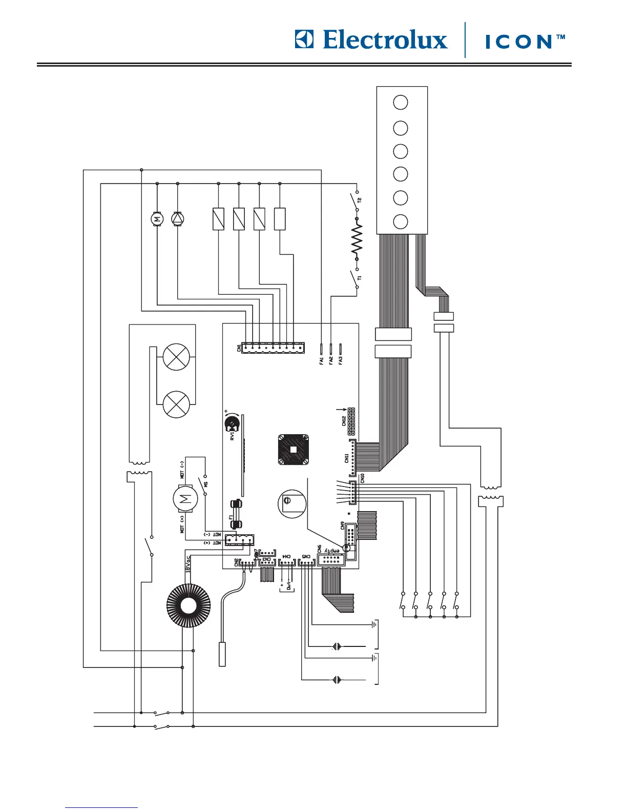
WWiirriinngg DDiiaaggrraammss
Red
Black
120Vac
12Vac
Electronic Transformer For Touchpad
PTDC/10/U/24V
Brown
Brown
Brown
Brown
Brown
Blue
Blue
Blue
Blue
Blue
Water
Tan k
Level
Autolling
Steam
Level
Connection to
Smart Card
Connecting
to Display
Upper Position of Brewing Group
Lower Position of Brewing Group
Ground Drawer
Front Door
Empty
Black
Black
Black
Black
Black
Black
Black
White
White
White
White
White
Main
Power
Switch
Primary
Input
50/60Hz
NF
Light Switch
Control Unit Transformer
Steam Boiler Temperature Probe
Serial
TTL
Empty
Empty
Flowmeter
Contrast Adjuster
Motor Controller
Motor Adjuster
Red
Red
Red
Red
Panel Light Front
Yellow
Yellow
Yellow
Yellow
Green
Green
empty
Milk Beverage Selector
Brown
White
Relay for Heating Element
Heating Element Boiler
Solenoid Valve for Steam
Solenoid Valve Water Level
Solenoid Valve Hot Water
Solenoid Valve
Brewing Group
Violet
Yel lo w
Pink
Blue
Orange
Brown
Grinder
Pump
Control Panel
Connecting Cable to Touchpad
Electronic Transformer
For Lamps PTDC/10/U/350mA
120Vac
350mA
CN9 - Display
CN10 - Microswitch Door - Up/Down Plunger
CN11 - Controls
CN4 - Flow Meter
CN20 - Temperature Probe
CN8 - Transformer (Yellow: Secondary Phase
CN5 - Water Tank Level - Autolling Stem Level
Red/Black: Primary Phase)
Wire Diagram Built-In Coffee Maker

Other manuals for Electrolux ICON E24CM75GSS

Related product manuals