EasyManua.ls Logo

Elekit TU-8500 - Page 15

Default Icon
16 pages
Print Icon
To Next Page IconTo Next Page
To Next Page IconTo Next Page
To Previous Page IconTo Previous Page
To Previous Page IconTo Previous Page
Loading...
15
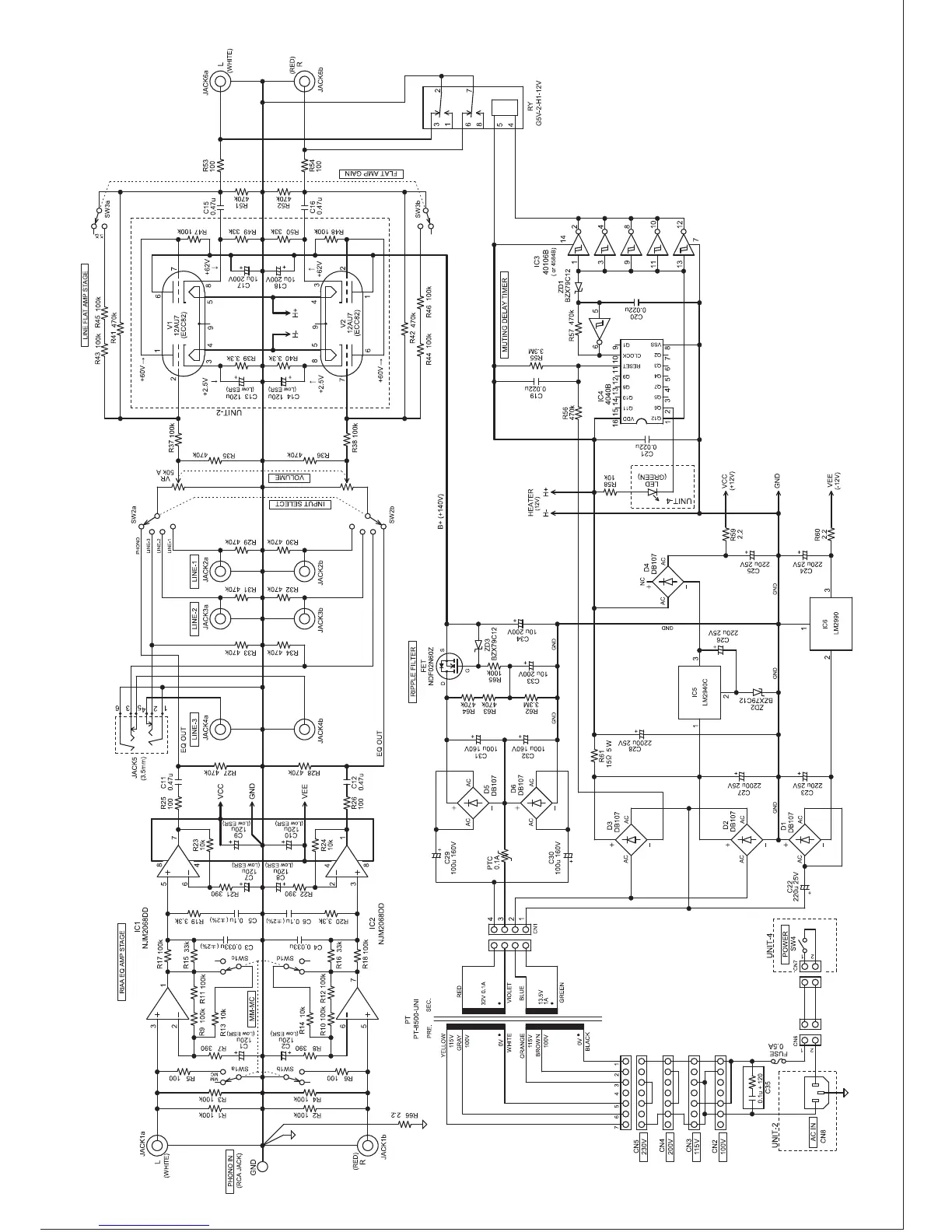
●Circuit diagram
8500-02

Related product manuals