EasyManua.ls Logo

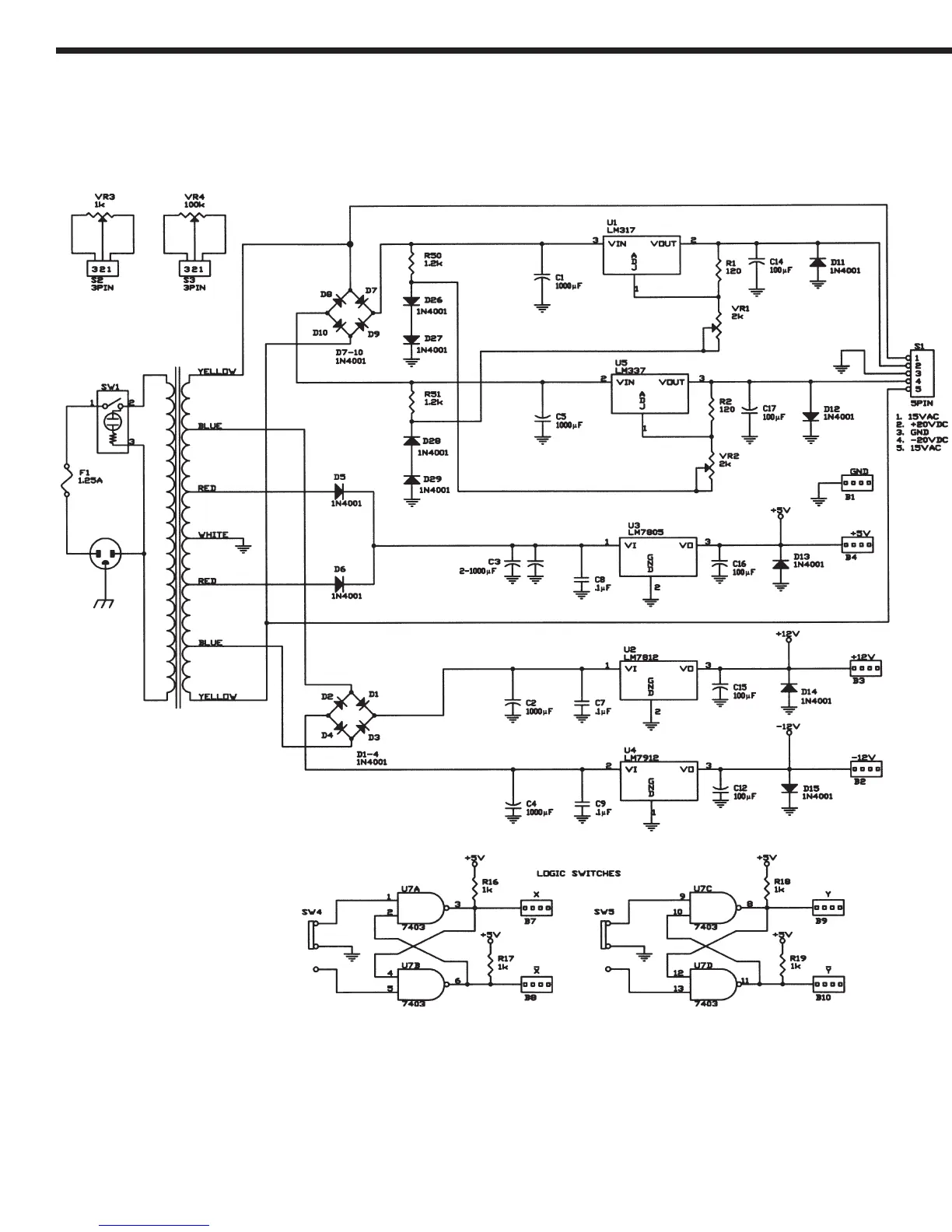
Elenco Electronics XK-550 - Schematic Diagram

Elenco Electronics XK-550
16 pages
Print Icon
To Next Page IconTo Next Page
To Next Page IconTo Next Page
To Previous Page IconTo Previous Page
To Previous Page IconTo Previous Page
Loading...
-7-
SCHEMATIC DIAGRAM

Related product manuals