EasyManua.ls Logo

Elenco Electronics XK-700 - Schematic Diagram

Elenco Electronics XK-700
16 pages
Print Icon
To Next Page IconTo Next Page
To Next Page IconTo Next Page
To Previous Page IconTo Previous Page
To Previous Page IconTo Previous Page
Loading...
-7-
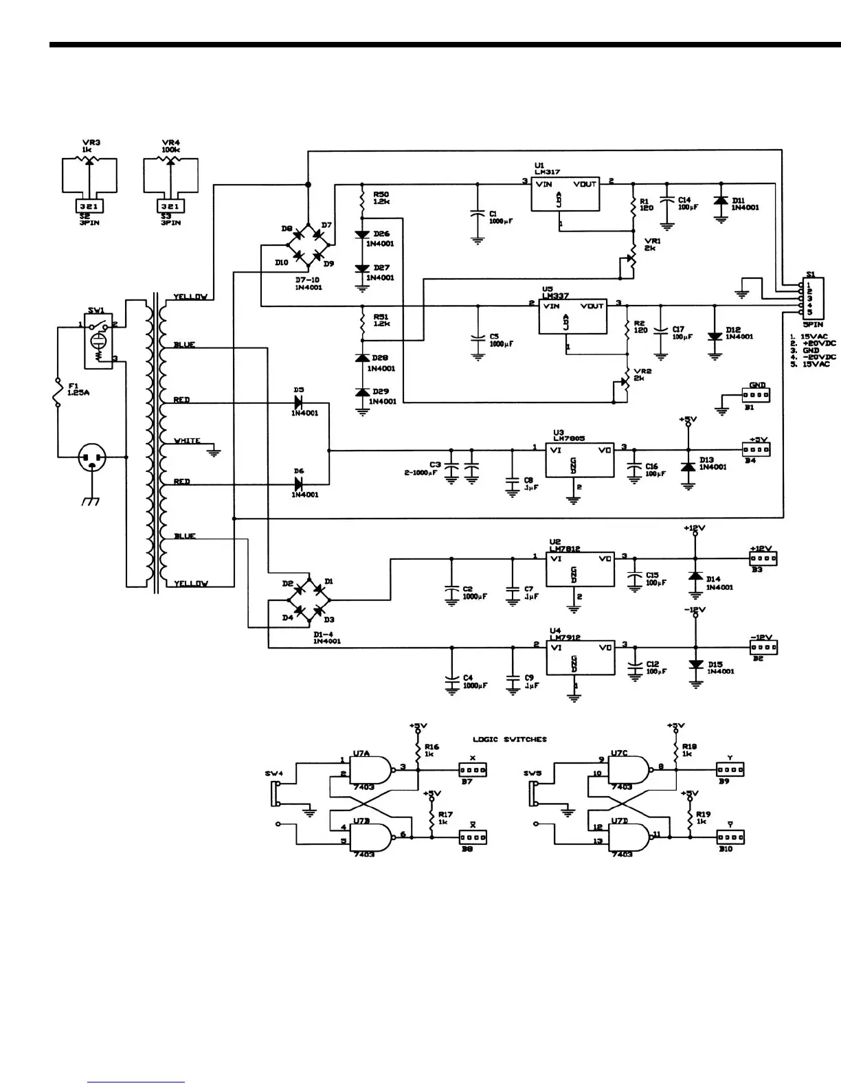
SCHEMATIC DIAGRAM

Related product manuals