EasyManua.ls Logo

Elenco Electronics XP-650 - Power Source; 0-20 V or 0-40 V Regulators

Elenco Electronics XP-650
12 pages
Print Icon
To Next Page IconTo Next Page
To Next Page IconTo Next Page
To Previous Page IconTo Previous Page
To Previous Page IconTo Previous Page
Loading...
Power Source
The power source in both the XP-650 and XP-750 consists of two transformers T1 and T2 and two diode
bridges, D1 to D4 and D5 to D8. C3 and C5 are the filter capacitors. Switch S2 places these supplies in
series to produce about 50VDC output or in parallel to produce about 25VDC out.
A negative 25 volts is produced with diodes D9, D10 and capacitors C1 and C2. This negative voltage is
regulated with zener diodes D11 and D15. The negative voltage is needed to stablilize the regulators and
allow zero output voltage.
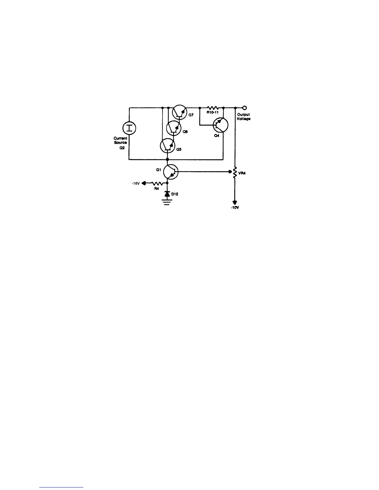
0-20V or 0-40V Regulators
Figure 2 shows a simplified circuit of the regulator circuit. This circuit consists of a high gain amplifier tran-
sistor Q1. The gain of this stage is over 100,000 because of its extremely high load impedance. This load
consists of a current source transistor Q2 and its biasing circuit. The effective resistance of this circuit is
over 500,000 ohms. Transistor Q7 is a power device that controls the output current. Transistors Q5 and
Q6 are emitter followers used to prevent loading of the current source. Transistors Q1, Q5, Q6, Q7 and
resistors R10 and VR4 form a closed negative feedback loop. If you analyze this loop, you will find that the
output voltage goes negative. This reduces the current in transistor Q1 and thus the collector voltage will
increase, returning the output voltage to very near its original value. The high gain is essential to keep the
output voltage constant. Diode D12 is added to prevent drift with temperature changes and to allow the
output voltage to go to zero.
To protect the regulator from overload and short circuit, transistor Q4 is added. Whenever the voltage drops
across resistor R10 reaches .6V, transistors Q4 and Q9 will conduct and lower the collector voltage of ampli-
fier Q1. To obtain variable current limiting, transistor Q4 is pre-biased via resistor R5 and VR3. This will
allow the output current to limit between .05 and 3 amps. Transistor Q3 is added to light the overload LED.
Switch S2C sets the maximum output voltage to 0-20 or 0-40VDC by adjusting variable resistors VR1 or VR2.
Maximum current limiting is set by switch S2D. Resistors R10 and R11 are used to limit the 0-40V current
to 1.5 amps. When resistors R12 and R13 are added to the circuit, the maximum current is increased to 3
amps.
Figure 2 Simplified Regulator Circuit
-4-

Related product manuals