EasyManua.ls Logo

Elu MOF96 - MOF96 Parts List

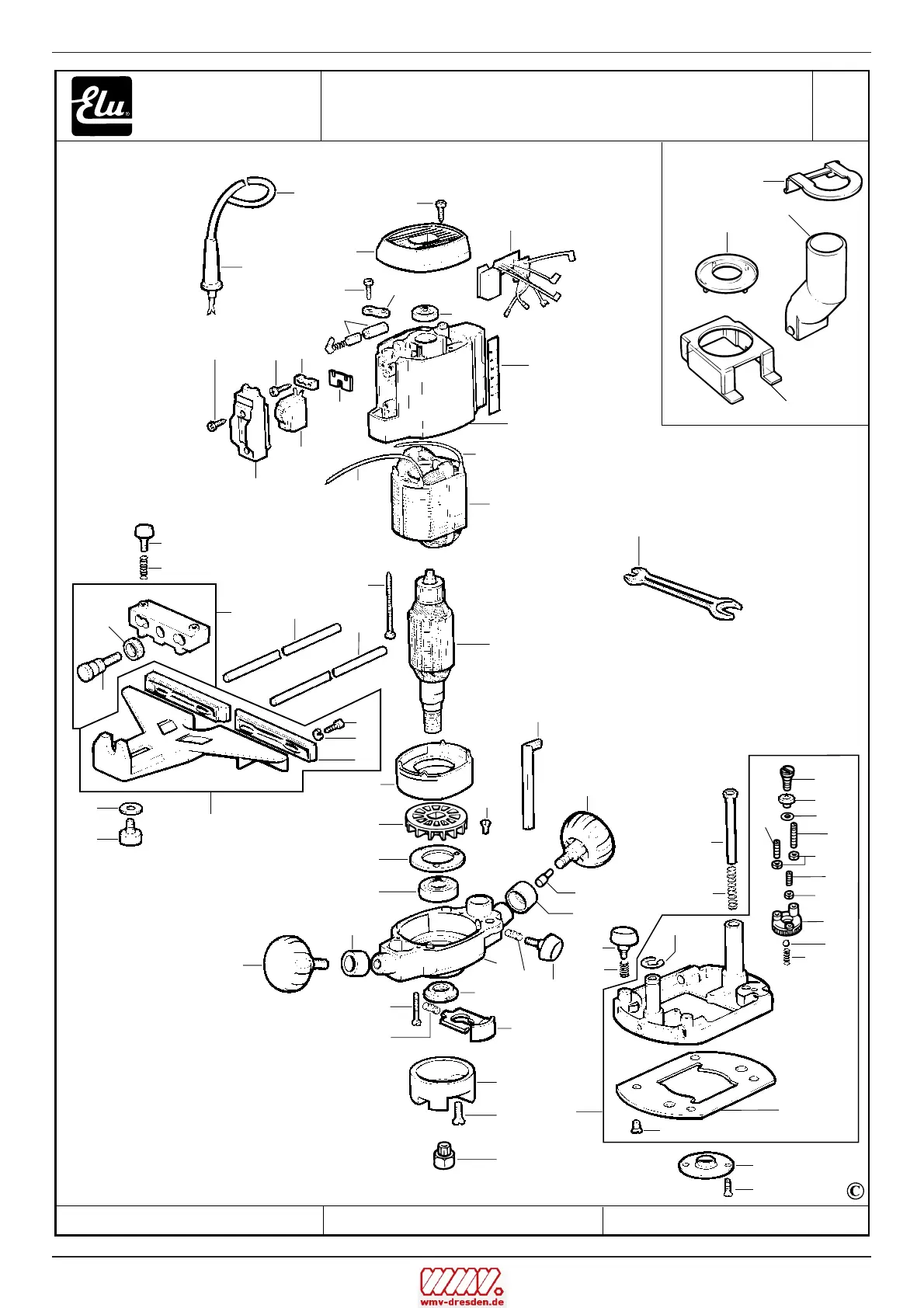
Elu MOF96
Print Icon
To Next Page IconTo Next Page
To Next Page IconTo Next Page
To Previous Page IconTo Previous Page
To Previous Page IconTo Previous Page
Loading...
TYP.
13-07-98
3
MOF96
E10749 / 249044-30
75
76
77
78
27
66
71
70
69
54
25
24
21
22
19
18
17
53
16
20
23
21
56
1
67
85
81
2
57
58
55
15
55
3
13
14
4
55
9
5
11
6
55
8
10
7
12
22
84
84
93
88
86
87
85
81
91
85
107
82
79
38
30
31
52
39
34
35
53
81
85
47
42
46
45
44
40
28
29
43
41
44
WMV-Dresden, Ersatzteilservice für Elektrowerkzeuge, Motor- und Gartengeräte