EasyManua.ls Logo

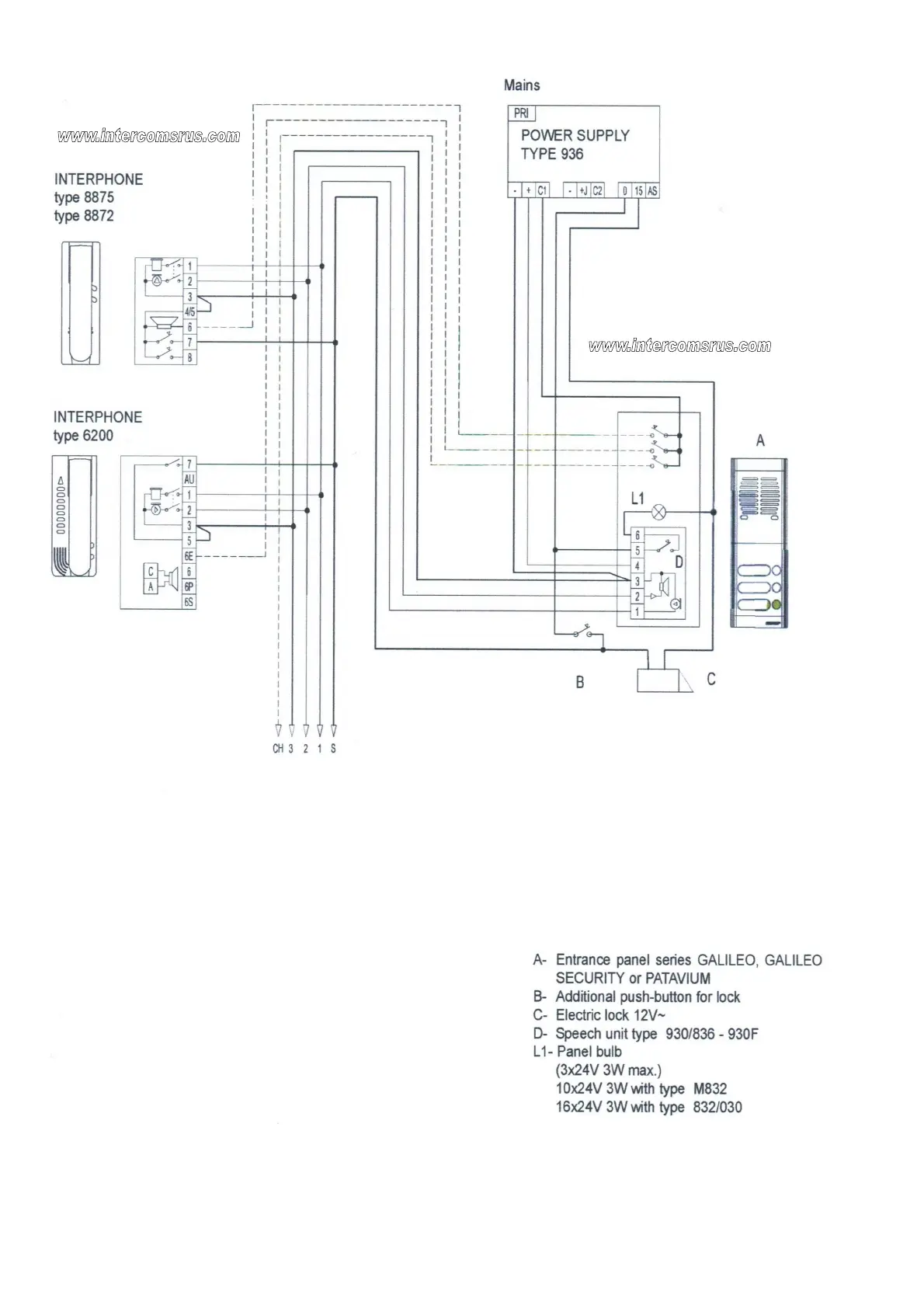
Elvox 6200 - Wiring Diagram: 1 Way Audio with 936 Power Supply

Elvox 6200
6 pages
Print Icon
To Next Page IconTo Next Page
To Next Page IconTo Next Page
To Previous Page IconTo Previous Page
To Previous Page IconTo Previous Page
Loading...
1 Way Audio With 936 Power Supply

Related product manuals