EasyManua.ls Logo

Elvox 8875 - Intercom Handset Variants; Handset Model Applications

Elvox 8875
6 pages
Print Icon
To Next Page IconTo Next Page
To Next Page IconTo Next Page
To Previous Page IconTo Previous Page
To Previous Page IconTo Previous Page
Loading...
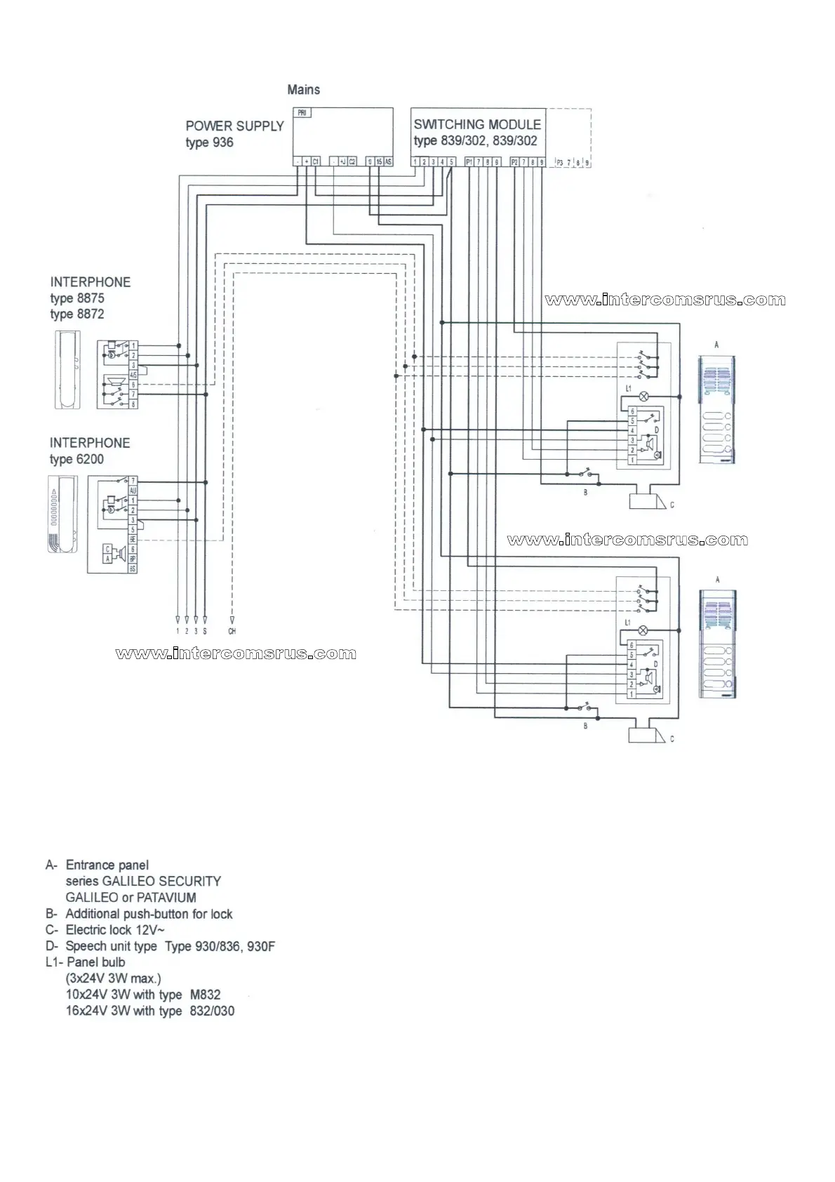
2 Entrance System With 936 Power Supply
VARIENTS OF HANDSET
 8870 - To be used on audio or video door entry systems with A.C. call, power supplies type 831, 836, 6580 (6680) and 4 + 1
conductor wiring.