EasyManua.ls Logo

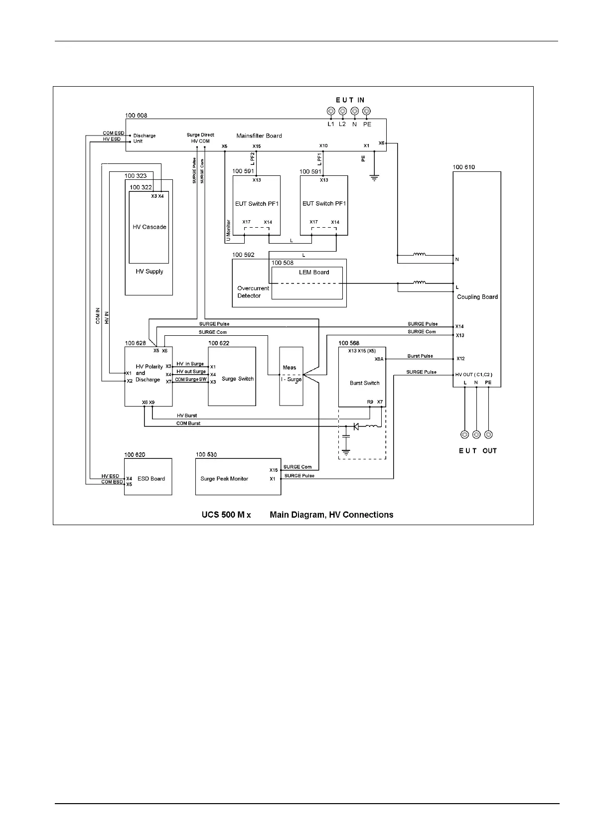
EM TEST UCS 500Mx - System Diagrams: High Voltage Connections; Main Diagram: High Voltage Connections

EM TEST UCS 500Mx
57 pages
Print Icon
To Previous Page IconTo Previous Page
To Previous Page IconTo Previous Page
Loading...
EM TEST UCS 500 Series
Operating Manual V 3.05 57 / 57
13.4. Main diagram high voltage connection