EasyManua.ls Logo

EME OE5JFL - Interface Board Schematics and Parts

Default Icon
13 pages
Print Icon
To Next Page IconTo Next Page
To Next Page IconTo Next Page
To Previous Page IconTo Previous Page
To Previous Page IconTo Previous Page
Loading...
EME Controller OE5JFL May 2009
Page 9 of 13
Additionally needed if you want to interface the controller to a PC:
1x 1N4148
1x MAX232
1x IC Socket DIL16
4x 1µF Elko
1x SUB-D 9 fem
1x BC547
2x 100 k
1x 1 k
2x Jumper
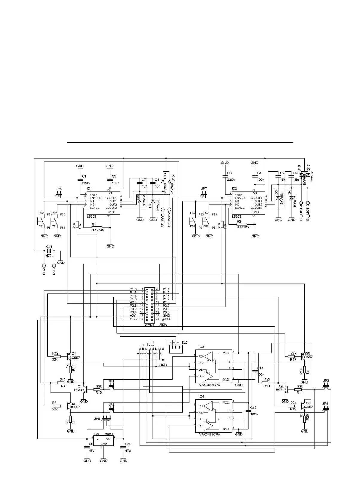
Circuit diagram motor/encoder interface board

Related product manuals