EasyManua.ls Logo

Emerson 96-SL - Page 8

Emerson 96-SL
9 pages
Print Icon
To Next Page IconTo Next Page
To Next Page IconTo Next Page
To Previous Page IconTo Previous Page
To Previous Page IconTo Previous Page
Loading...
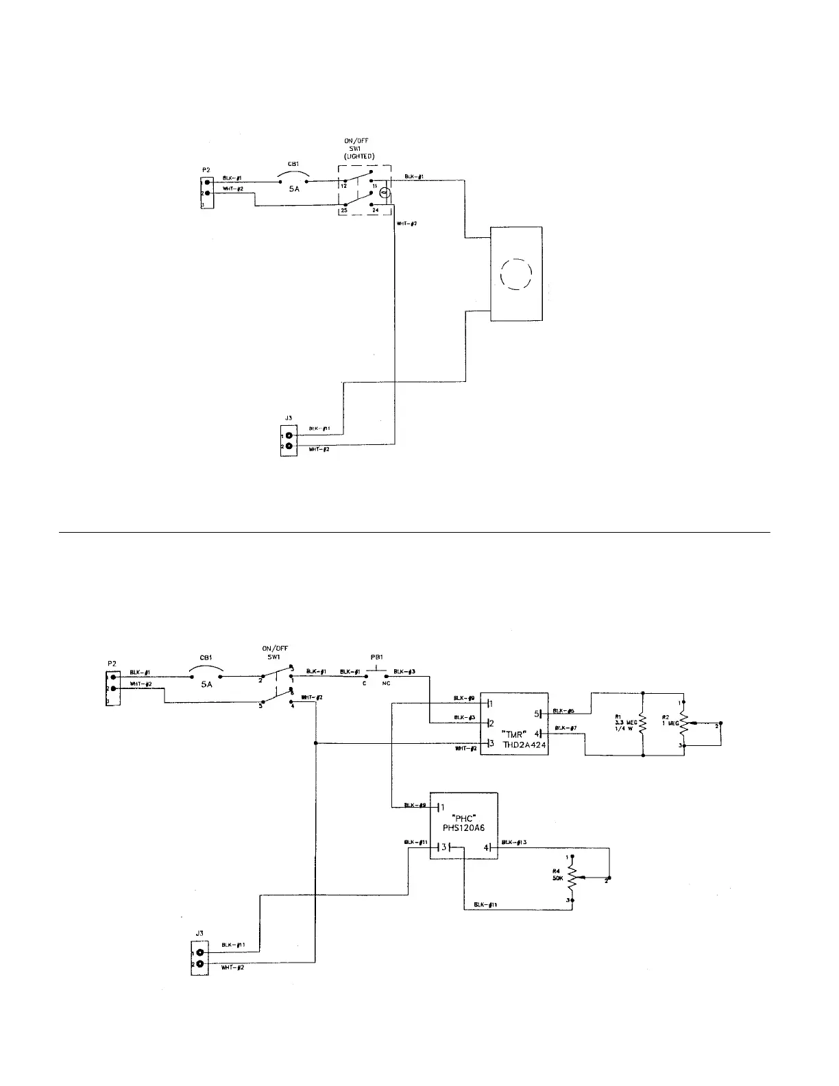
Figure 5 Schematic, 96-DL Module - 7 -
Figure 6 Schematic, 96-TDL Module