EasyManua.ls Logo

EngA Engineered Air XES160 - Side Wall Venting (Approved by Others)

Default Icon
30 pages
Print Icon
To Next Page IconTo Next Page
To Next Page IconTo Next Page
To Previous Page IconTo Previous Page
To Previous Page IconTo Previous Page
Loading...
A XES SC MANUAL
IOM-58 16 of 30 June 14 R5
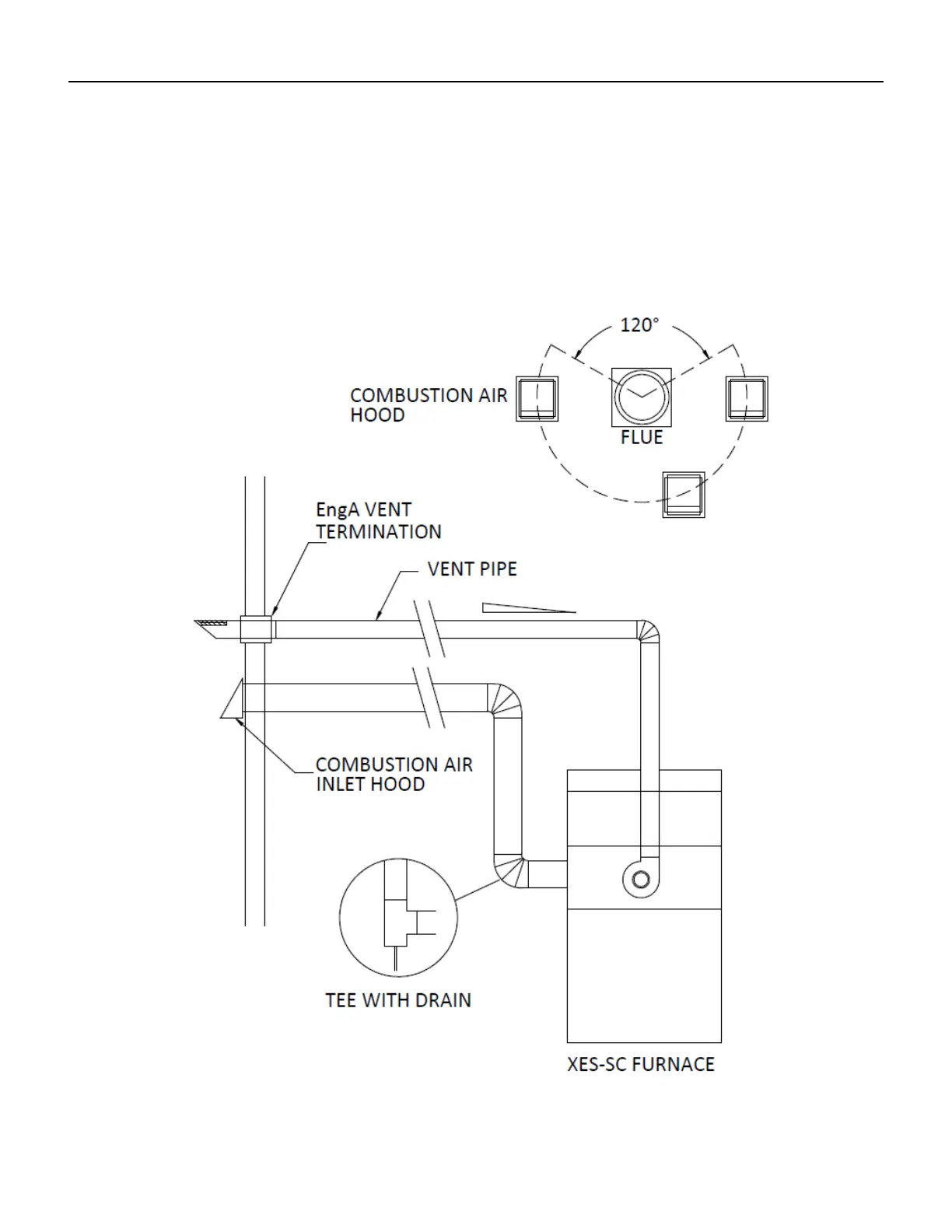
Side Wall Vent Approved By Others
Where the Engineered Air supplied concentric flue termination cannot be used, separate approved wall
terminations may be supplied and used by the installing customer. Installation of the fresh air intake
relative to the combustion outlet must conform to the diagram shown below:

Related product manuals