EasyManua.ls Logo

EOT ET-3500AF - Schematics: Amplified High Speed Fiber Photodetectors; Warranty Statement and Repair

EOT ET-3500AF
7 pages
Print Icon
To Next Page IconTo Next Page
To Next Page IconTo Next Page
To Previous Page IconTo Previous Page
To Previous Page IconTo Previous Page
Loading...
Electro-Optics Technology, Inc.
3340 Parkland Ct. Traverse City, MI 49686 USA
(231)935-4044 ׀ (800)697-6782 ׀ sales@eotech.com ׀ www.eotech.com
Page 5 of 7
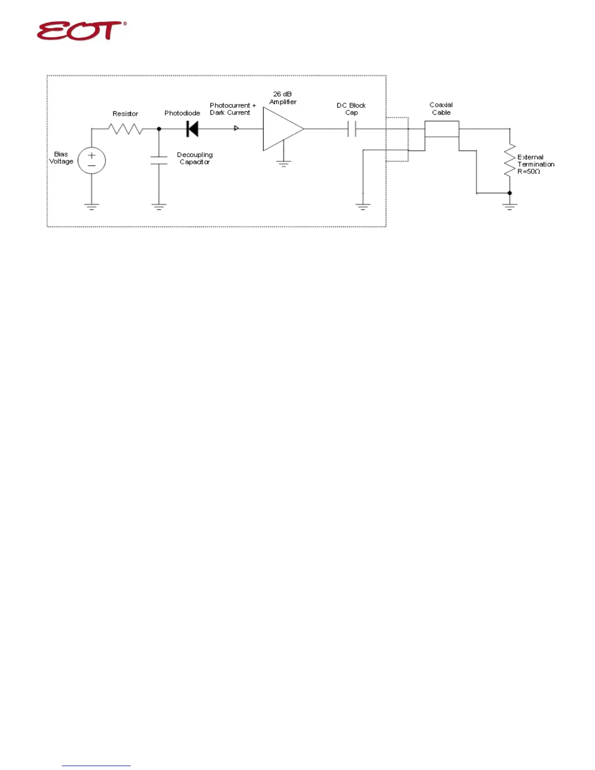
VI. Schematics: Amplified High Speed Fiber Photodetectors
VII. Warranty Statement and Repair
EOT warrants its products to be free from defects in material and workmanship and complies with all
specifications. EOT will at its option, repair or replace any product or component found to be defective
during the warranty period. This warranty applies only to the original purchaser and is not transferrable
for a period of one year after date of original shipment. The foregoing warranties shall not apply, and
EOT reserves the right to refuse warranty service, should malfunction or failure result from:
a. Damage caused by improper installation, handling or use.
b. Unauthorized product modification or repair.
c. Operation outside the environmental or damage specifications of the product.
d. Contamination not reported to EOT within 30 days of the original ship date.
e. EOT’s output isolators contain a “spacer” at the end of the isolator. Under certain conditions,
an off-axis back-reflection from the workpiece could focus down onto the output displacer or
polarizer inside the isolator. The purpose of the spacer is to eliminate the conditions under which
this could happen. Should EOT’s output isolators be purchased without the spacer, or should the
spacer be removed, damage to the output displacer or polarizer will not be covered under
warranty and the customer will be responsible for all costs associated with such an occurrence.
This warranty is exclusive in lieu of all other warranties whether written, oral, or implied. EOT
specifically disclaims the implied warranties of merchantability and fitness for a particular purpose. In
no event shall EOT be liable for an indirect, incidental, or consequential damages in connection with its
products.
If the customer believes there is a problem with the photodetector, they should immediately contact
EOT’s Sales/Customer department at 231-935-4044 or customerservice@eotech.com. EOT’s Customer
Service department will either issue an RMA for the device, or provide the customer with a procedure
and authorize the customer to modify the device. All returns should reference the RMA number on the
outside of the shipping container and should be sent to:
Electro-Optics Technology, Inc.
Attn: Sales/Customer Service
3340 Parkland Ct.
Traverse City, MI 46986 USA
SMA
Connector