EasyManua.ls Logo

EST EA752-2 - Page 2

Default Icon
2 pages
Print Icon
To Previous Page IconTo Previous Page
To Previous Page IconTo Previous Page
Loading...
2 / 2 P/N 501-153600-0-06 • REV 06 • ISS 06MAR14
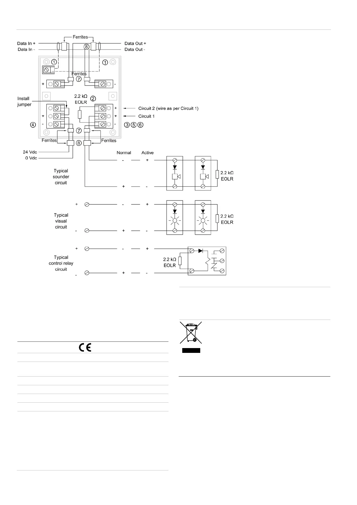
Figure 2: Wiring diagram
Notes
1. Screened cable.
2. EOLR required if circuit is not used.
3. Terminal marking (plus/minus)
indicates signal polarity when the
circuit is active. The polarity
reverses when the circuit is not
active.
4. Signal source must be CE and
EN54-4 compliant. The jumper must
be connected.
5. Each output circuit provides up to 1
A at 24 VDC. Each output circuit
has a 1 A fuse. Fuses are monitored
by the panel.
6. Devices connected to the output
circuit must be polarized as shown.
If non-polarized devices are used,
insert a 1N4002/7 diode in the
positive leg of each device, with the
stripe facing the device. For
inductive loads (relays etc), fit a
Bipolar Transient Protector
(P/N 235196P) across the coil.
7. Attach the supplied ferrites to cables
as shown in Figure 2 (internal to the
module).
8. The following ferrite core needs to
be fitted to all cables (externally to
the module): TDK ZCAT3055-1330.
Regulatory information
This section includes both regulatory information and a
summary on the declared performance according to the
Construction Products Regulation 305/2011. For detailed
information refer to the product Declaration of Performance.
Certification
Certification body
0370
Declaration of
Performance number
360-5221-0199
Year of first CE marking 10
Product Identification EA752-2
Intended use See DoP point 3
Essential characteristics
See DoP point 9
Manufacturer
Gulf Security Technology Co.,Ltd
80, Changjiang East Road,
QETDZ, Qinhuangdao,
Hebei Province, China 066004
Authorized EU manufacturing
representative:
UTC Fire & Security B.V.
Kelvinstraat 7, 6003 DH Weert,
Netherlands
European Union directives
1999/5/EC (R&TTE directive): Hereby,
UTC Fire & Security declares that this
device is in compliance with the essential
requirements and other relevant
provisions of Directive 1999/5/EC.
2002/96/EC (WEEE directive): Products
marked with this symbol cannot be
disposed of as unsorted municipal waste
in the European Union. For proper
recycling, return this product to your local
supplier upon the purchase of equivalent
new equipment, or dispose of it at
designated collection points. For more
information see: www.recyclethis.info.
Contact information
For contact information, see www.utcfssecurityproducts.eu.

Related product manuals