EasyManua.ls Logo

EverHot 647270 - Page 31

EverHot 647270
48 pages
Print Icon
To Next Page IconTo Next Page
To Next Page IconTo Next Page
To Previous Page IconTo Previous Page
To Previous Page IconTo Previous Page
Loading...
INSTALLATION
31
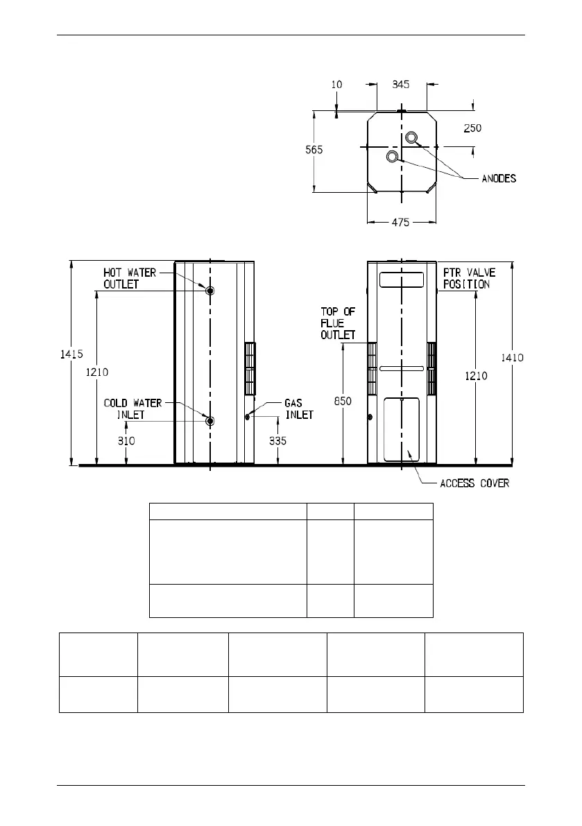
DIMENSIONS AND TECHNICAL DATA
Model
647270
Storage capacity
litres
135
Hourly recovery
(natural gas @ 45°C rise)
litres
135
First Hour Capacity
litres
270
Mass Empty
kg
65
Full
kg
200
Gas Details
Hourly Gas
Consumption
(MJ)
Min. Gas
Supply Pressure
(kPa)
Test Point Gas
Pressure
(kPa)
Max. Gas
Supply Pressure
(kPa)
Natural
30
1.13
1.00
3.50
Propane
30
2.75
2.70
3.50
Model numbers: N = Natural, P = Propane. Letters N or P is included in the model
number, e.g. 647270N0, 647270P0 to denote gas type.
Technical data is subject to change.

Related product manuals