EasyManua.ls Logo

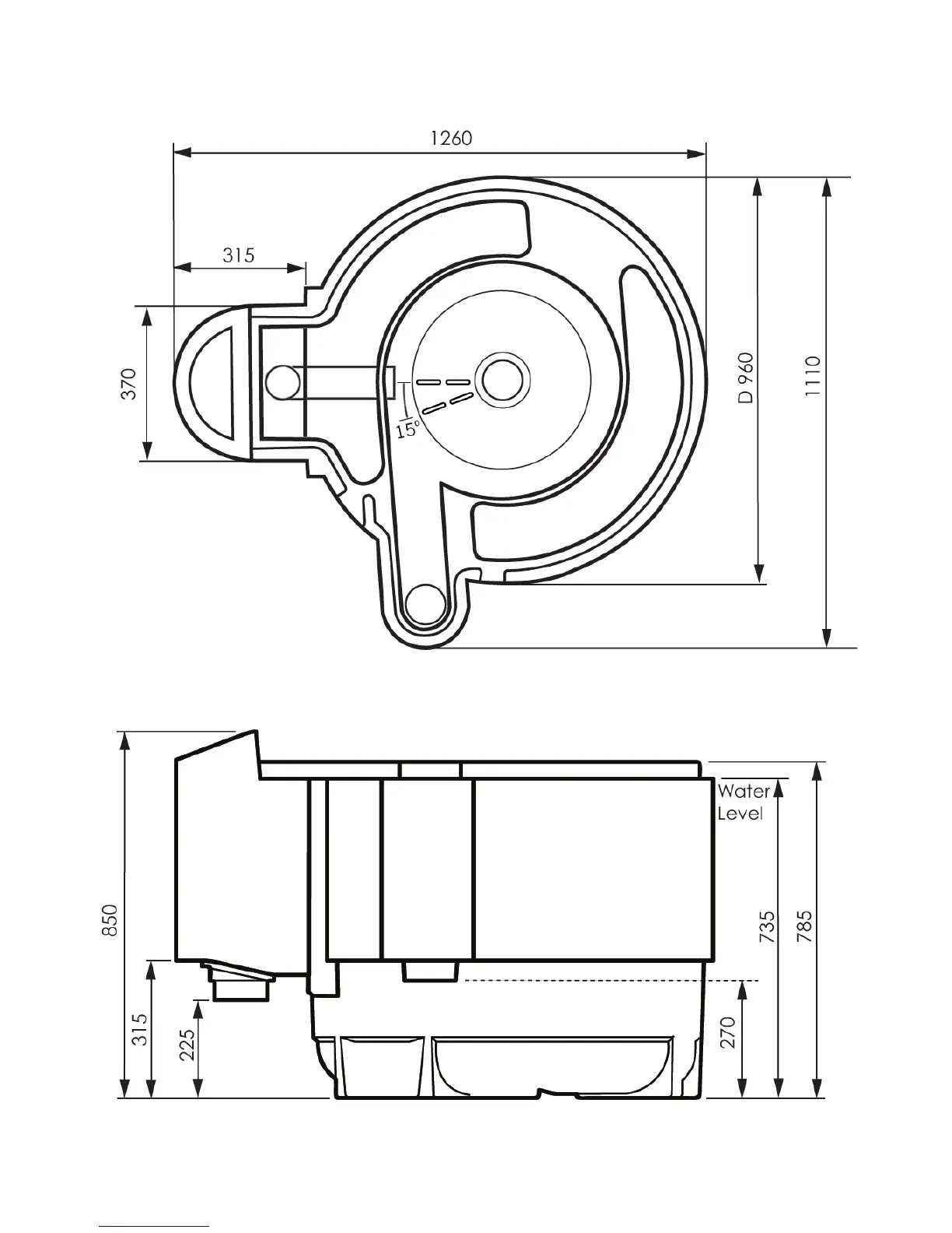
Evolution Aqua NEXUS 220 - Nexus 220 Dimensions

Evolution Aqua NEXUS 220
32 pages
Print Icon
To Next Page IconTo Next Page
To Next Page IconTo Next Page
To Previous Page IconTo Previous Page
To Previous Page IconTo Previous Page
Loading...
NEXUS 220 DIMENSIONS
5