EasyManua.ls Logo

Extel BUS PRO 2 - Page 53

Extel BUS PRO 2
Print Icon
To Next Page IconTo Next Page
To Next Page IconTo Next Page
To Previous Page IconTo Previous Page
To Previous Page IconTo Previous Page
Loading...
CFI EXTEL MULTI PRO - 12/2015
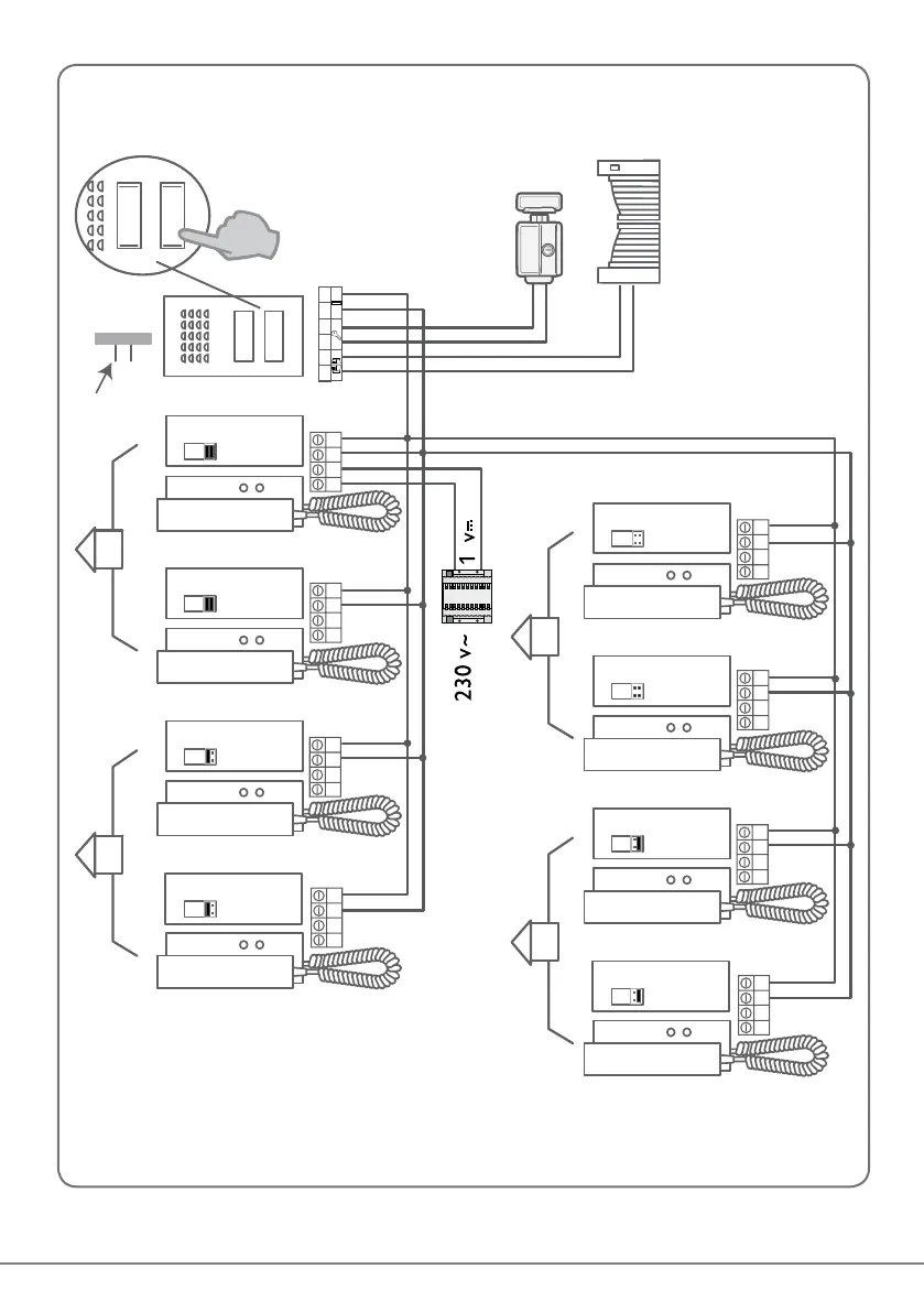
REU. slika 7
*
YROED&%%86352
YDULDQW&%%86352
RSFLMD&%%86352
2 1
3 4
8765 43
JP3
JP2
JP1
JP2
JP1
JP2
JP1
JP2
JP1
1234
1234
1234 1234
8
-
+
JP2
JP1
JP2
JP1
JP2
JP1
JP2
JP1
1234
1234
1234 1234
12
34
*
*
*
*
*
*

Related product manuals