EasyManua.ls Logo

Extend EXS-206 - Page 7

Extend EXS-206
43 pages
Print Icon
To Next Page IconTo Next Page
To Next Page IconTo Next Page
To Previous Page IconTo Previous Page
To Previous Page IconTo Previous Page
Loading...
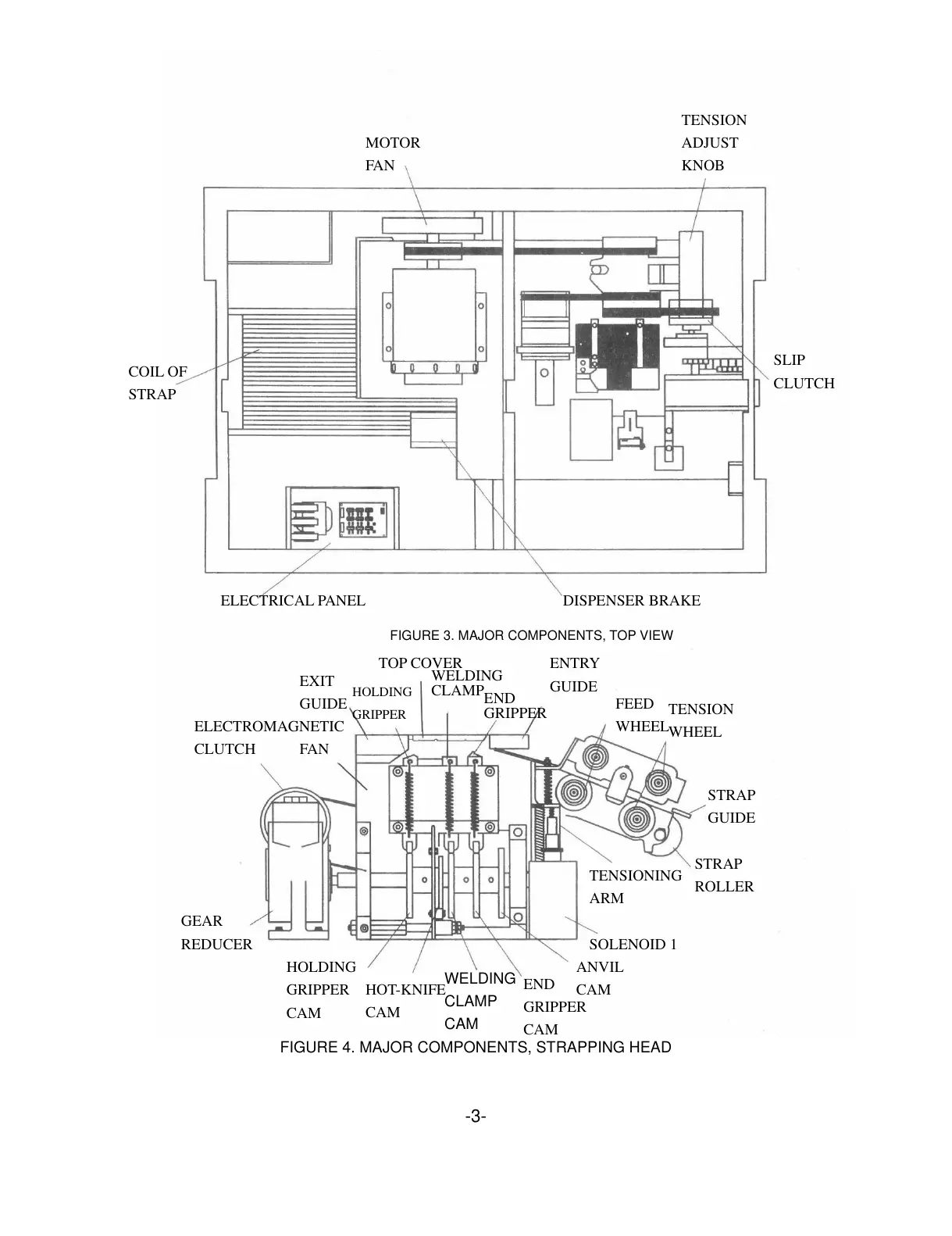
TENSION
ADJUST
KNOB
MOTOR
FAN
SLIP
CLUTCH
COIL OF
STRAP
ELECTRICAL PANEL DISPENSER BRAKE
FIGURE 3. MAJOR COMPONENTS, TOP VIEW
EXIT
GUIDE
TOP COVER
WELDING
CLAMP
END
GRIPPER
FEED
WHEEL
TENSION
WHEEL
ENTRY
GUIDE
HOLDING
GRIPPER
ELECTROMAGNETIC
CLUTCH
FAN
STRAP
GUIDE
FIGURE 4. MAJOR COMPONENTS, STRAPPING HEAD
TENSIONING
ARM
SOLENOID 1
ANVIL
CAM
HOLDING
GRIPPER
CAM
HOT-KNIFE
CAM
WELDING
CLAMP
CAM
END
GRIPPER
CAM
GEAR
REDUCER
STRAP
ROLLER
-3-
All manuals and user guides at all-guides.com

Other manuals for Extend EXS-206

Related product manuals