EasyManua.ls Logo

FAAFTECH FT-VF-GMLAN - Connection Wiring Diagrams

Default Icon
12 pages
Print Icon
To Next Page IconTo Next Page
To Next Page IconTo Next Page
To Previous Page IconTo Previous Page
To Previous Page IconTo Previous Page
Loading...
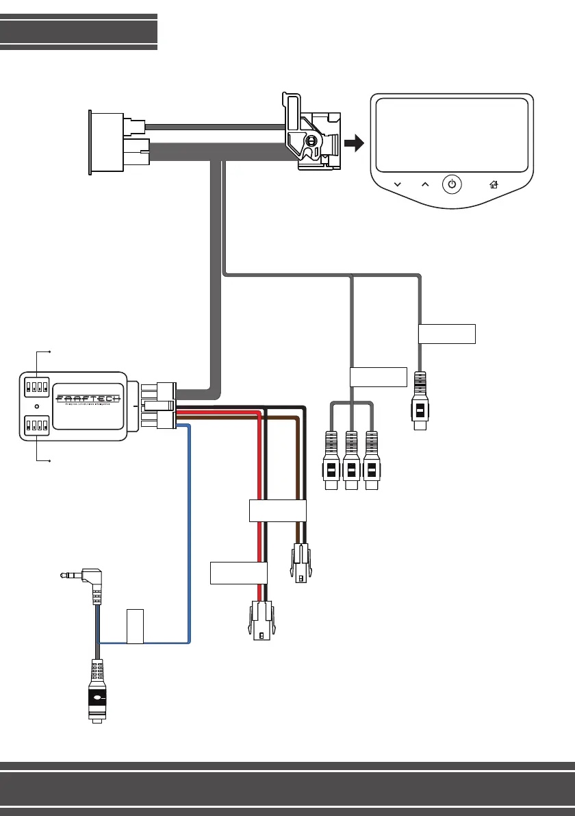
Conectar ao Mylink
Video input for rear
camera
Note: compatible only
with NTSC cameras
Audio and video input
12V Reverse Output, use to power
the rear camera
Check page 2
Check page 2
Connect this side of the
whip to the TV IR input
Conecte o sensor IR da
TV à este lado do chicote
Saída 12V Pós Chave, utilize para
alimentar a TV Digital ou Mirror
Connect to the
original MyLink
whip
ON
1 2 3 4
ON
1 2 3 4
FT-VIDEO-FREE
GMLAN
MYLINK
VOL
3
CONNECTIONS
IR TV
12V Post Key
Output
Saida 12Volts
Camera de Re
Entrada de
Audio e Video
Rear camera

Related product manuals